主要特点:
● 侧面发光型从宽度为5mm(0.19 英寸)的侧面发出光束
● LED指示灯明亮,从背面亦可清晰可见
● 可承受100G冲击力,防护等级IP67
| 应用举例: | |||
| 检测晶圆传送盒的物料(FOUP) | 监视晶片滑出卡盒 | 检测传送带上是否有工件 | 检测传送带上的螺钉 |
![]() | ![]() | ![]() | ![]() |
侧面检测型
| 类型 | 漫反射型 | 限定反射型 | 对射型 | ||
| NPN型 | 常开 | 2m 电缆式 | ED-S30NL | EL-S15NL | ET-S500NL |
| M8 接插式-3针 | ED-S30NL3 | EL-S15NL3 | ET-S500NL3 | ||
| M8 接插式-4针 | ED-S30NL4 | EL-S15NL4 | ET-S500NL4 | ||
| 常闭 | 2m 电缆式 | ED-S30ND | EL-S15ND | ET-S500ND | |
| M8 接插式-3针 | ED-S30ND3 | EL-S15ND3 | ET-S500ND3 | ||
| M8 接插式-4针 | ED-S30ND4 | EL-S15ND4 | ET-S500ND4 | ||
| PNP型 | 常开 | 2m 电缆式 | ED-S30PL | EL-S15PL | ET-S500PL |
| M8 接插式-3针 | ED-S30PL3 | EL-S15PL3 | ET-S500PL3 | ||
| M8 接插式-4针 | ED-S30PL4 | EL-S15PL4 | ET-S500PL4 | ||
| 常闭 | 2m 电缆式 | ED-S30PD | EL-S15PD | ET-S500PD | |
| M8 接插式-3针 | ED-S30PD3 | EL-S15PD3 | ET-S500PD3 | ||
| M8 接插式-4针 | ED-S30PD4 | EL-S15PD4 | ET-S500PD4 | ||
| 电源电压 | DC 12~24V +10% | ||||
| 消耗电流 | 20mA Max | 30mA Max | |||
| 检测距离 | 30mm | 2 - 15mm | 500mm | ||
| 光斑尺寸 | 3mm @ 30mm | 2mm @ 15mm | 60mm @ 500mm | ||
| 检测物体 | 不限 | 不透明物体 | |||
| 重复精度 | +/-0.05mm Max | +/-0.1mm Max | |||
| 响应时间 | 0.25msec(ET),0.5msec(ED,EL) | ||||
| 光源 | 红色LED | ||||
| 滞后现象 | 10% | - | |||
| 开关量输出 | NPN或PNP 集电极开路,1.8V-50mA,≤50mA 24V DC | ||||
| 环境照度 | 日光 | 10,000 Ix Max | |||
| 白炽灯光 | 3.000 Ix Max | ||||
| 环境温度/混度 | -25~+55C/35~85% | ||||
| 存储温度/湿度 | -40~+70C/35~95% | ||||
| 耐噪音 | EN60947-5-2:1998(免疫) EN60947-5-2:1998(辐射) | ||||
| 抗震动 | 10-55Hz振幅1.5mm,X-Y-Z ,两小时 | ||||
| 耐撞击 | 1000m/s3,X-Y-Z三方向各三次 | ||||
| 防护等级 | IP67 | ||||
| 预热时间 | 100ms | ||||
| LED指示灯 | 绿色(稳定),橙色(输出),红色(ET型发射器电源指示灯) | ||||
| 连接器与电缆线 | 2.5mm 3芯电缆2m(发射器使用2芯电缆)/M8接线150mm | ||||
| 保护电路 | 电流过载,逆偏振,短路保护 | ||||
| 材质 | PC | ||||
| 认证 | CE | ||||
正面检测型
| 类型 | 漫反射型 | 限定反射型 | 对射型 | ||||
| NPN型 | 常开 | 2m 电缆式 | ED-100NL | ED-30NL | EL-15NL | EL-08NL | ET-500NL |
| M8 接插式-3针 | ED-100NL3 | ED-30NL3 | EL-15NL3 | EL-08NL3 | ET-500NL3 | ||
| M8 接插式-4针 | ED-100NL4 | ED-30NL4 | EL-15NL4 | EL-08NL4 | ET-500NL4 | ||
| 常闭 | 2m 电缆式 | ED-100ND | ED-30ND | EL-15ND | EL-08ND | ET-500ND | |
| M8 接插式-3针 | ED-100ND3 | ED-30ND3 | EL-15ND3 | EL-08ND3 | ET-500ND3 | ||
| M8 接插式-4针 | ED-100ND4 | ED-30ND4 | EL-15ND4 | EL-08ND4 | ET-500ND4 | ||
| PNP型 | 常开 | 2m 电缆式 | ED-100PL | ED-30PL | EL-15PL | EL-08PL | ET-500PL |
| M8 接插式-3针 | ED-100PL3 | ED-30PL3 | EL-15PL3 | EL-08PL3 | ET-500PL3 | ||
| M8 接插式-4针 | ED-100PL4 | ED-30PL4 | EL-15PL4 | EL-08PL4 | ET-500PL4 | ||
| 常闭 | 2m 电缆式 | ED-100PD | ED-30PD | EL-15PD | EL-08PD | ET-500PD | |
| M8 接插式-3针 | ED-100PD3 | ED-30PD3 | EL-15PD3 | EL-08PD3 | ET-500PD3 | ||
| M8 接插式-4针 | ED-100PD4 | ED-30PD4 | EL-15PD4 | EL-08PD4 | ET-500PD4 | ||
| 电源电压 | DC 12~24V +10% | ||||||
| 消耗电流 | 20mA Max | 30mA Max | |||||
| 检测距离 | 100mm | 5 -30mm | 2 -15mm | 3 -8mm | 500mm | ||
| 光斑尺寸 | φ60mm @ 100mm | φ20mm @ 30mm | φ10mm @ 15mm | φ10mm @ 8mm | φ140mm @ 500mm | ||
| 检测物体 | 不限 | 不透明物体 | |||||
| 响应时间 | 0.5msec Max | ||||||
| 滞后现象 | 白纸 :10%(EL-08/ EL-15),15%(EL-30/ED-100) | - | |||||
| 开关量输出 | NPN或PNP 集电极开路,≤50mA/24V DC | ||||||
| 环境照度 | 阳光≤10,000 勒克斯(lux),白炽灯照射≤3,000勒克斯(lux) | ||||||
| 环境温度/混度 | -25~+55C/35~85% | ||||||
| 存储温度/湿度 | -40~+70C135~95% | ||||||
| 耐噪音 | EN60947-5-2:1998(免疫) EN60947-5-2:1998(辐射) | ||||||
| 抗震动 | 10~55Hz振幅1.5mm,X-Y-Z ,两小时 | ||||||
| 耐撞击 | 1000m/s3,X-Y-Z三方向各三次 | ||||||
| 防护等级 | IP67 | ||||||
| 预热时间 | 15msec | ||||||
| LED指示灯 | 绿色(稳定),橙色(输出),红色 (ET型发射器电源指示灯) | ||||||
| 连接器与电缆线 | 2m电缆,φ2.5mm3个连接器(发射器使用2个连接器)/M8 接线150mm | ||||||
| 保护电路 | 电流过载,逆偏振,短路保护 | ||||||
| 材质 | PC | ||||||
| 认证 | CE | ||||||
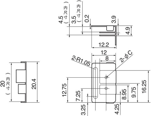
| 外形尺寸: | |||
| 侧面检测型 | |||
| 对射型发射器 | 对射型接收器 | ||
![]() | ![]() | ||
| 漫反射/限定反射型 | |||
![]() | ![]() | ||
| 正面检测型 | |||
| 对射型发射器 | 对射型接收器 | ||
![]() | ![]() | ||
| 漫反射/限定反射型 | |||
![]() | ![]() | ||
| 选购件 | |||
开槽式遮罩 BL-W2F-1(= Φ1mm) BL-W2F-1.5(= Φ1.5mm) | ![]() | ![]() | |
| 接线图: | |||
![]() | |||














