主要特点:
● 比较适用于检测玻璃/PET瓶等透明体(KR-Q50,KR-Q150,KR-Q300)
● 不锈钢外壳,防护等级IP67
| 应用举例: | |||
| 传送带上的PET瓶检测 | 托盘上的PET瓶检测 | PET瓶计数 | 狭小空间内检测PET瓶 |
![]() | ![]() | ![]() | ![]() |
| 类型 | 透明体检测型 | |||
| 电缆式 | NPN | KR-Q50NW | KR-Q150NW | KR-Q300NW |
| PNP | KR-Q50PW | KR-Q150PW | KR-Q300PW | |
| 接插式 | NPN | KR-Q50CNW | KR-Q150CNW | KR-Q300CNW |
| PNP | KR-Q50CPW | KR-Q150CPW | KR-Q300CPW | |
| 检测距离 | 50cm | 1.5m | 3m | |
| 光源 | 红色LED | |||
| 最小检测物 | φ2.5mm(钢丝) | |||
| 响应时间 | 0.7msec Max | |||
| 灵敏度调节 | 单圈电位器 | |||
| LED指示灯 | 1个指示灯 | |||
| 开光量输出 | NPN或PNP 集电极开路,≤100mA/ 30V DC | |||
| 常开/常闭模式 | 常开(入光动作)/ 常闭(遮光动作)模式可选 | |||
| 绝缘电阻 | Min. 20M Ohm / DC 500V | |||
| 电源电压 | DC 10~30V ±10% | |||
| 消耗电流 | 30mA Max | |||
| 认证 | JIS,UL,CE,VDE | |||
| 工作温度/湿度 | -25~+55℃ / 35~85%RH | |||
| 环境照度 | 阳光≤10,000 勒克斯(lux),白炽灯照射≤3,000勒克斯(lux) | |||
| 抗震动 | 10~55Hz振幅 1.5mm, X-Y-Z ,各两小时 | |||
| 防护等级 | IEC 144 IP67,VDE Level 3 | |||
| 材料 | ABS(壳体),PC(镜头),SUS304(面板) | |||
| 重量(净重) | 25g | |||
| 选购件: | 反光镜:V-61 | 小型反光镜:V-42 | 微型反光镜:P-45 |
![]() | ![]() | ![]() | |
| 传感器安装保护支架:LK-S01,LK-S02 | 开槽配件:SK-01 | 滤光片:PFK-01 | |
![]() | ![]() | ![]() | |
![]() | |||
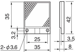
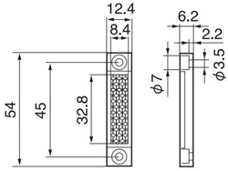
| 外形尺寸: | |||
| 电缆式 | 接插式 | ||
![]() | ![]() | ||
| V-61 | V-42 | ||
![]() | ![]() | ||
| P-45 | |||
![]() | |||
| 接线图: | |||
![]() | |||
















