主要特点:
● BGS(背景抑制型)传感器适合不同颜色的背景
● ZR-QX系列,同轴型,适合检测狭小空间中的工件
● 可承受100G冲击力,防护等级IP67
| 应用举例: | |||
| 各种颜色托盘的检出 (BGS-Z30N) | 不锈钢背景不受影响 (BGS-Z30N) | PCB (BGS-Z30N) | 塑料瓶的通过检测 (ZR-QX200) |
![]() | ![]() | ![]() | ![]() |
500us快速响应 | 高功率窄角LED光束 | ||
![]() | ![]() | ||
四圈电位调节器 内置四圈电位器可实现灵敏度的细微调整。 | 宽光斑 BGS型传感器LED发射光斑直径6mm,避免受PC板小孔的干扰。 | ||
![]() | ![]() | ||
纵向和横向安装都可以 因为投光轴和受光轴是相同的同轴结构,所以不用考虑传感器的安装方向和工件的移动方向 | |||
![]() | ![]() | ||
| 类型(背景抑制型) | 长距离 | 中距离 | 短距离 | ||||
| 2m 电缆式 | M8 QD 4 针 接插式 | 2m 电缆式 | M8 QD 4 针 接插式 | 2m 电缆式 | M8 QD 4 针 接插式 | ||
| 类型 | NPN | BGS-Z30N | BGS-Z30CN | BGS-Z15N | BGS-Z15CN | BGS-Z10N | BGS-Z10CN |
| PNP | BGS-Z30P | BGS-Z30CP | BGS-Z15P | BGS-Z15CP | BGS-Z10P | BGS-Z10CP | |
| 设定距离 | 50-300mm(*1) | 20-150mm | 20-100mm(*1) | ||||
| 检测距离 | 10-100mm(*1) | 5-150mm | 5-100mm(*1) | ||||
| 响应时间 | 500μs | ||||||
| 光斑尺寸 | φ30mm/300mm | φ10mm/150mm | φ10mm/100mm | ||||
| 滞后现象 | 5% | 4% | 3% | ||||
| 常开 / 常闭模式 | 常开(入光动作)/ 常闭(遮光动作)模式可选 | ||||||
| LED 指示灯 | 输出:橘色,稳定:绿色 | ||||||
| 光源 | 红色 LED | ||||||
| 灵敏性调节 | 四圈循环式电位器 | ||||||
| 开关量输出 | NPN/PNP 集电极开路,≤100mA/ 30V DC | ||||||
| 电源电压 | DC 10 ~ 30V ±10% | ||||||
| 消耗电流 | 30mA max | ||||||
| 防护等级 | IP67 | ||||||
| 耐撞击 | 100G(1,000m/S2) | ||||||
| 环境照度 | 阳光≤10,000 勒克斯(lux),白炽灯照射≤3,000 勒克斯(lux) | ||||||
| 环境温度 / 湿度 | -25 ~ +55℃ / 35 ~ 85%RH | ||||||
| 材质 | ABS(壳体),PMMA(镜头) | ||||||
| 类型(ZR-QX型) | 镜面反射型(检测透明体 )、同轴光束 | ||
| 2m 电缆式 | M8 QD 4 针 接插式 | ||
| 类型 | NPN | ZR-QX200N | ZR-QX200CN4 |
| PNP | ZR-QX200P | ZR-QX200CP4 | |
| 检测距离 | 0-2m(反光镜 P250F | ||
| 响应时间 | 0.5 ms | ||
| 光斑尺寸 | φ60mm @2m | ||
| 常开 / 常闭模式 | 常开(入光动作)/ 常闭(遮光动作)模式可选 | ||
| LED 指示灯 | 输出:橘色 | ||
| 光源 | 红色 LED | ||
| 灵敏性调节 | 单圈电位器 | ||
| 开关量输出 | NPN/PNP 集电极开路,≤100mA/ 30V DC | ||
| 电源电压 | DC 10 ~ 30V ±10% | ||
| 消耗电流 | 20mA max | ||
| 防护等级 | IP 67 | ||
| 耐撞击 | 100G(1,000m/S2) | ||
| 环境照度 | 阳光≤10,000 勒克斯(lux),白炽灯照射≤3,000 勒克斯(lux) | ||
| 环境温度 / 湿度 | -25 ~ +55℃ / 35 ~ 85%RH | ||
| 材质 | ABS(壳体),PMMA(镜头) | ||
*1 白纸:100 x 100mm
如果选适用于欧洲的 M8 QD 3 针接插式型传感器,其型号后缀有 CN(P)3,如 “ZR-QX200CN3”
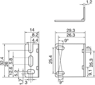
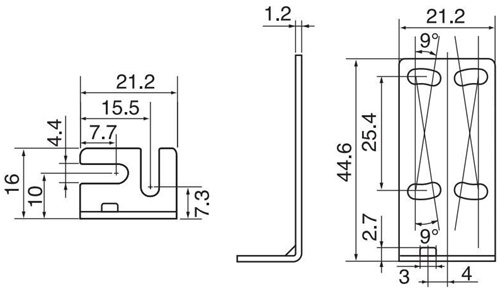
| 外形尺寸: | |||
| BGS型 | |||
![]() | ![]() | ||
BEF-W100-A 标准支架(M8 QD 接插式传感器配件) | BEF-W100-B 标准支架(电缆式传感器配件) | ||
![]() | ![]() | ||
| 接线图: | |||
| BGS型 | ZR-QX型 | ||
![]() | ![]() | ||















