主要特点:
● BGS-HL系列激光传感器采用了OPTEX-FA位移传感器相同的处理器
● 可以检测微小段差的薄型工件,也可以检测黑色,金属,多色彩等工件
● 可以检测倾斜物体
● 防护等级IP67
| 应用举例: | 橡胶环的有无检测 | 黑色橡胶部件的凹凸面判别 | 硅晶圆的重叠检测 |
| 单 通 道 输 出 型 | ![]() | ![]() | ![]() |
| 吸塑包装的多层检测 (1CH:1层时输出ON; 2CH:3层时输出ON) | 振动盘的物料检测 (1CH:物料剩余量较少时开始补给; 2CH:剩余量较多时停止补给) | 吸管的有无/翘起检测 (1CH:无吸管时输出ON; 2CH:吸管翘起时输出ON) | |
| 双 通 道 输 出 型 | ![]() | ![]() | ![]() |
| 类型 | 单通道输出型 | 双通道输出型 | |||
| 型号 | BGS-HL05T | BGS-HL25T2 | BGS-HDL05T | BGS-HDL25T2 | |
| 检测距离 | 20~50mm(显示值※10.00~30.00) | 50~250mm(显示值※10.0~200.0) | 20~50mm(显示值20.00~50.00) | 50~250mm(显示值50.0~250.0) | |
| 重复精度 | 0.01mm(显示值:0.01) | 0.1mm(显示值:0.1)※2 | 0.01mm(显示值:0.01) | 0.1mm(显示值:0.1)※2 | |
| 最小检测高度差※3 | 0.08mm | 0.8mm | 0.08mm | 0.8mm | |
| 温度漂移(参考值) | ±0.04%F.S./℃ | ±0.08%F.S./℃ | ±0.04%F.S./℃ | ±0.08%F.S./℃ | |
| 光源 | 种类、波长 | 红色半导体激光波长:655nm | |||
| 最大输出功率 | 390μW | 1mW | 390μW | 1mW | |
| 激光等级 | IEC/JIS | CLASS 1 | CLASS 2 | CLASS 1 | CLASS 2 |
| FDA | CLASS 1 | CLASS 2 | CLASS 1 | CLASS 2 | |
| 光斑尺寸※4 | φ0.8mm | φ1mm | φ0.8mm | φ1mm | |
| 响应时间※5 | ≥1.5ms | ||||
| 滞后现象※6 | 设定范围:0~22.49mm | 设定范围:0~149.9mm | 设定范围:0~22.49mm | 设定范围:0~149.9mm | |
| 检测距离调整 | 示教式(示教后可手动调整)可选择1点示教、2点示教、区域示教 | 示教式(示教后可手动调整) | |||
| 指示灯 | 激光投射指示灯(绿)/输出指示灯(橙)/模式指示灯(红) | 激光投射指示灯(绿)/1CH输出指示灯(橙)/2CH输出指示灯(红) | |||
| 数字显示屏 | 7段4位LED | ||||
| 外部输入 | 激光关闭、示教、采样保持、单脉冲 | 激光关闭/开启、示教、采样保持、单脉冲 | |||
| 开关量输出 | 集电极开路(NPN/PNP功能内切换)Max.100mA/DC24V 残留电压1.8V | 集电极开路(NPN/PNP功能内切换)Max.50mA/DC24V 残留电压1.8V | |||
| 输出模式 | 常开/常闭功能可切换 | 常开/常闭/区域设定/FGS功能可切换 | |||
| 延时功能 | 无/ON延时/OFF延时/单脉冲可选择(0~9999ms, 单位:1ms) | ||||
| 额定值 | 电源电压 | DC12~24V±10% | |||
| 消耗电流※7 | 40mA以下 | ||||
| 连接形式 | 电缆式:φ4.5mm 2m电缆线; 接插式※9:M8 4针连接器 | 电缆式:φ4.5mm 2m电缆线; 接插式※9:M12 5针连接器,300mm电缆线 | |||
| 适用法令 | EMC | 2017/30/EU | |||
| RoHS | 2011/65/EU.指令第32号 | ||||
| FDA | 21 CFR 1040.10或1040.11(符合FDA的Laser Notice No.50标准) | ||||
| 适用规格 | EN 60947-5-2:2007/A1:2012 IEC 60825-1:2007 | ||||
| 耐环境性 | 使用环境温度/湿度 | -10~+50℃/35~85%RH(无结霜、冰冻) | -10~+45℃ / 35~85%RH(无结霜、冰冻) | ||
| 存储环境温度/湿度 | -20~+60℃/35~85%RH | ||||
| 环境照度 | 白炽灯:5,000lx以下 | ||||
| 抗震动 | 10~55Hz,双振幅1.5mm,X、Y、Z各方向2小时 | ||||
| 耐撞击 | 500m/s(约50G),X、Y、Z各方向3次 | ||||
| 保护电路 | 反接保护、过电流保护 | ||||
| 防护等级 | IP67 | ||||
| 材质 | 外壳:压铸铝 前盖:PPSU 显示屏:PET电缆:耐油PVC | ||||
| 重量 | 电缆式:约90g 接插式※8:约30g | 电缆式:约100g 接插式※8:约60g | |||
| 附属品 | 安装支架:BEF-OD1-B、 M3×15螺丝:2只 | ||||
无特别注明的测试条件如下所述:
环境温度23℃(常温)、电源电压DC24V、采样周期500μs、平均采样次数512次;检测位置为中心距离:35mm(BGS-H(D)L05T) / 150mm(BGS-H(D)L25T2);
检测对象:本公司标准工件(白陶瓷板)。
※1 显示值得可显示范围如下:
·BGS-HL05T -7.50~37.50
·BGS-HL25T2 -50.0~250.0
启用偏移功能【ShiF】时,在示教位置处时显示为0;
即使在检测范围内,若超出显示范围,将显示FFFF(此时BGS-HL仍然正常检测工作);
超出显示范围将显示9999。
※2 采样周期:1000μs时。
※3【滞后现象】设定为0.02(BGS-H(D)L05T)、0.2(BGS-H(D)L25T2)时。
※4 以最大检测距离处的中心光束强度的1 / e2(13.5%)来界定。界定的光斑尺寸范围以外有漏光、或光束周边存在比被测物反射率高的物体时,有可能出现误检。
※5 出厂设定值时:1.5~7ms(BGS-H(D)L05T)、3~14ms(BGS-H(D)L25T2)。
※6 出厂默认值:0.15mm(BGS-H(D)L05T)、1mm(BGS-H(D)L25T2)。
※7 不含开关量输出的负载电流。
※8 定制产品
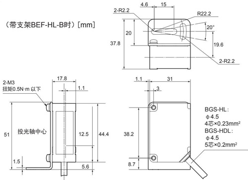
| 外形尺寸: | |||
![]() | ![]() | ||
| 接线图: | ![]() | ||








