M5近开关(3线/4线)
产品分类:常规系列
产品规格:标准件
产品品牌:CONTROLWAY
浏览次数:5070
上架时间:2023-12-03
产品详情
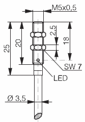
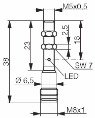
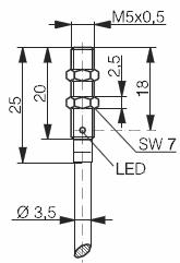
| 外形尺寸 | M5 | M5 | M5 | M5 |
| 检测距离 mm | 0.8 | 0.8 | 1.5 | 1.5 |
| 尺寸图 |  |  |  |  |
| 外壳材料 | 不锈钢 V2A | 不锈钢 V2A | 不锈钢 V2A | 不锈钢 V2A |
| 连接形式 | PVC电缆 | 连接器 M8 | PVC电缆 | 连接器 M8 |
| 防护等级 | IP67 | IP67 | IP67 | IP67 |
| 安装形式 | 齐平 | 齐平 | 齐平 | 齐平 |
| 开关频率 | 5000Hz | 5000Hz | 3000Hz | 3000Hz |
| 接线图 | 图1 | 图1 | 图1 | 图1 |
| 工作电压(允许脉动范围) | 10…30VDC(≤20%) | 10…30VDC(≤20%) | 10…30VDC(≤20%) | 10…30VDC(≤20%) |
| 环境温度 | ﹣25℃...+70℃ | ﹣25℃...+70℃ | ﹣25℃...+70℃ | ﹣25℃...+70℃ |
| 电压降 | ≤2.0V | ≤2.0V | ≤2.0V | ≤2.0V |
| 输出电流 | ≤200mA | ≤200mA | ≤200mA | ≤200mA |
| 空载电流 | ≤10mA | ≤10mA | ≤10mA | ≤10mA |
| LED指示灯 | 内置 | 内置 | 内置 | 内置 |
| 温度漂移%Sr | ≤10% | ≤10% | ≤10% | ≤10% |
| 回滞%Sr | 1...15%(10%typ) | 1...15%(10%typ) | 1...15%(10%typ) | 1...15%(10%typ) |
| 重复精度 | ≤5%Sr | ≤5%Sr | ≤5%Sr | ≤5%Sr |
| 认证 | CE,UL,RoHS | CE,UL,RoHS | CE,UL,RoHS | CE,UL,RoHS |
| 短接保护 | 内置 | 内置 | 内置 | 内置 |
| 极性反向保护 | 内置 | 内置 | 内置 | 内置 |
| 通电行延时 | 内置 | 内置 | 内置 | 内置 |
| NPN,N.O. | BD0.8-S1-M5 | BD0.8-S1-M5S8 | BD1.5-S1-M5 | BD1.5-S1-M5S8 |
| NPN,N.C. | BD0.8-S2-M5 | BD0.8-S2-M5S8 | BD1.5-S2-M5 | BD1.5-S2-M5S8 |
| NPN,N.O.+N.C. | - | - | - | - |
| PNP,N.O. | BD0.8-S3-M5 | BD0.8-S3-M5S8 | BD1.5-S3-M5 | BD1.5-S3-M5S8 |
| PNP,N.C. | BD0.8-S4-M5 | BD0.8-S4-M5S8 | BD1.5-S4-M5 | BD1.5-S4-M5S8 |
| PNP,N.O.+N.C. | - | - | - | - |