M18接近开关(3线/4线)
产品分类:常规系列
产品规格:标准件
产品品牌:CONTROLWAY
浏览次数:410
上架时间:2023-12-03
产品详情
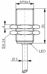
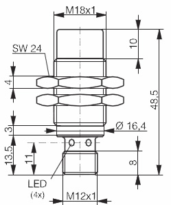
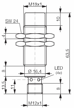
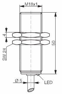
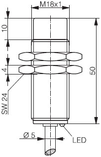
| 外形尺寸 | M18 | M18 | M18 | M18 |
| 检测距离 mm | 5 | 5 | 5 | 5 |
| 尺寸图 |  |  |  |  |
| 外壳材料 | 镀铬铜 | 镀铬铜 | 镀铬铜 | 镀铬铜 |
| 连接形式 | PVC电缆 | PVC电缆 | 连接器 M12 | 连接器 M12 |
| 防护等级 | IP67 | IP67 | IP67 | IP67 |
| 安装形式 | 齐平 | 齐平 | 齐平 | 齐平 |
| 开关频率 | 2000Hz | 2000Hz | 2000Hz | 2000Hz |
| 接线图 | 图1 | 图1 | 图2 | 图2 |
| 工作电压(允许脉动范围) | 10…30VDC(≤20%) | 10…30VDC(≤20%) | 10…30VDC(≤20%) | 10…30VDC(≤20%) |
| 环境温度 | ﹣25℃...+70℃ | ﹣25℃...+70℃ | ﹣25℃...+70℃ | ﹣25℃...+70℃ |
| 电压降 | ≤2.0V | ≤2.0V | ≤2.0V | ≤2.0V |
| 输出电流 | ≤200mA | ≤200mA | ≤200mA | ≤200mA |
| 空载电流 | ≤10mA | ≤10mA | ≤10mA | ≤10mA |
| LED指示灯 | 内置 | 内置 | 内置 | 内置 |
| 温度漂移%Sr | ≤10% | ≤10% | ≤10% | ≤10% |
| 回滞%Sr | 1...15%(10%typ) | 1...15%(10%typ) | 1...15%(10%typ) | 1...15%(10%typ) |
| 重复精度 | ≤10%Sr | ≤10%Sr | ≤10%Sr | ≤10%Sr |
| 认证 | CE,UL,RoHS | CE,UL,RoHS | CE,UL,RoHS | CE,UL,RoHS |
| 短接保护 | 内置 | 内置 | 内置 | 内置 |
| 极性反向保护 | 内置 | 内置 | 内置 | 内置 |
| 通电行延时 | 内置 | 内置 | 内置 | 内置 |
| NPN,N.O. | BD5-S1S1-M18 | BD5-S1-M18 | BD5-S1S1-M18S | BD5-S1-M18S |
| NPN,N.C. | BD5-S2S1-M18 | BD5-S2-M18 | BD5-S2S1-M18S | BD5-S2-M18S |
| NPN,N.O.+N.C. | - | - | - | - |
| PNP,N.O. | BD5-S3S1-M18 | BD5-S3-M18 | BD5-S3S1-M18S | BD5-S3-M18S |
| PNP,N.C. | BD5-S4S1-M18 | BD5-S4-M18 | BD5-S4S1-M18S | BD5-S4-M18S |
| PNP,N.O.+N.C. | - | - | - | - |
|
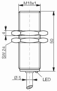
| 外形尺寸 | M18 | M18 | M18 | M18 |
| 检测距离 mm | 8 | 8 | 8 | 8 |
| 尺寸图 |  |  |  |  |
| 外壳材料 | 镀铬铜 | 镀铬铜 | 镀铬铜 | 镀铬铜 |
| 连接形式 | PVC电缆 | PVC电缆 | 连接器 M12 | 连接器 M12 |
| 防护等级 | IP67 | IP67 | IP67 | IP67 |
| 安装形式 | 非齐平 | 非齐平 | 非齐平 | 非齐平 |
| 开关频率 | 2000Hz | 2000Hz | 2000Hz | 2000Hz |
| 接线图 | 图1 | 图1 | 图2 | 图2 |
| 工作电压(允许脉动范围) | 10…30VDC(≤20%) | 10…30VDC(≤20%) | 10…30VDC(≤20%) | 10…30VDC(≤20%) |
| 环境温度 | ﹣25℃...+70℃ | ﹣25℃...+70℃ | ﹣25℃...+70℃ | ﹣25℃...+70℃ |
| 电压降 | ≤2.0V | ≤2.0V | ≤2.0V | ≤2.0V |
| 输出电流 | ≤200mA | ≤200mA | ≤200mA | ≤200mA |
| 空载电流 | ≤10mA | ≤10mA | ≤10mA | ≤10mA |
| LED指示灯 | 内置 | 内置 | 内置 | 内置 |
| 温度漂移%Sr | ≤10% | ≤10% | ≤10% | ≤10% |
| 回滞%Sr | 1...15%(10%typ) | 1...15%(10%typ) | 1...15%(10%typ) | 1...15%(10%typ) |
| 重复精度 | ≤10%Sr | ≤10%Sr | ≤10%Sr | ≤10%Sr |
| 认证 | CE,UL,RoHS | CE,UL,RoHS | CE,UL,RoHS | CE,UL,RoHS |
| 短接保护 | 内置 | 内置 | 内置 | 内置 |
| 极性反向保护 | 内置 | 内置 | 内置 | 内置 |
| 通电行延时 | 内置 | 内置 | 内置 | 内置 |
| NPN,N.O. | ND8-S1S1-M18 | ND8-S1-M18 | ND8-S1S1-M18S | ND8-S1-M18S |
| NPN,N.C. | ND8-S2S1-M18 | ND8-S2-M18 | ND8-S2S1-M18S | ND8-S2-M18S |
| NPN,N.O.+N.C. | - | - | - | - |
| PNP,N.O. | ND8-S3S1-M18 | ND8-S3-M18 | ND8-S3S1-M18S | ND8-S3-M18S |
| PNP,N.C. | ND8-S4S1-M18 | ND8-S4-M18 | ND8-S4S1-M18S | ND8-S4-M18S |
| PNP,N.O.+N.C. | - | - | - | - |
|
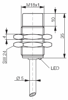
| 外形尺寸 | M18 | M18 | M18 | M18 |
| 检测距离 mm | 8 | 8 | 8 | 8 |
| 尺寸图 |  |  |  |  |
| 外壳材料 | 镀铬铜 | 镀铬铜 | 镀铬铜 | 镀铬铜 |
| 连接形式 | PVC电缆 | PVC电缆 | 连接器 M12 | 连接器 M12 |
| 防护等级 | IP67 | IP67 | IP67 | IP67 |
| 安装形式 | 齐平 | 齐平 | 齐平 | 齐平 |
| 开关频率 | 1500Hz | 1500Hz | 1500Hz | 1500Hz |
| 接线图 | 图1 | 图1 | 图2 | 图2 |
| 工作电压(允许脉动范围) | 10…30VDC(≤20%) | 10…30VDC(≤20%) | 10…30VDC(≤20%) | 10…30VDC(≤20%) |
| 环境温度 | ﹣25℃...+70℃ | ﹣25℃...+70℃ | ﹣25℃...+70℃ | ﹣25℃...+70℃ |
| 电压降 | ≤2.0V | ≤2.0V | ≤2.0V | ≤2.0V |
| 输出电流 | ≤200mA | ≤200mA | ≤200mA | ≤200mA |
| 空载电流 | ≤10mA | ≤10mA | ≤10mA | ≤10mA |
| LED指示灯 | 内置 | 内置 | 内置 | 内置 |
| 温度漂移%Sr | ≤10% | ≤10% | ≤10% | ≤10% |
| 回滞%Sr | 1...15%(10%typ) | 1...15%(10%typ) | 1...15%(10%typ) | 1...15%(10%typ) |
| 重复精度 | ≤10%Sr | ≤10%Sr | ≤10%Sr | ≤10%Sr |
| 认证 | CE,UL,RoHS | CE,UL,RoHS | CE,UL,RoHS | CE,UL,RoHS |
| 短接保护 | 内置 | 内置 | 内置 | 内置 |
| 极性反向保护 | 内置 | 内置 | 内置 | 内置 |
| 通电行延时 | 内置 | 内置 | 内置 | 内置 |
| NPN,N.O. | BD8-S1S1-M18 | BD8-S1-M18 | BD8-S1S1-M18S | BD8-S1-M18S |
| NPN,N.C. | BD8-S2S1-M18 | BD8-S2-M18 | BD8-S2S1-M18S | BD8-S2-M18S |
| NPN,N.O.+N.C. | - | - | - | - |
| PNP,N.O. | BD8-S3S1-M18 | BD8-S3-M18 | BD8-S3S1-M18S | BD8-S3-M18S |
| PNP,N.C. | BD8-S4S1-M18 | BD8-S4-M18 | BD8-S4S1-M18S | BD8-S4-M18S |
| PNP,N.O.+N.C. | - | - | - | - |
|
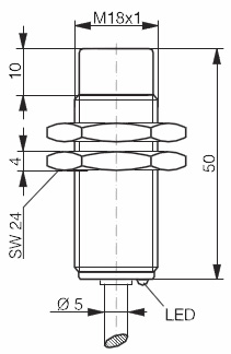
| 外形尺寸 | M18 | M18 |
|
|
| 检测距离 mm | 8 | 8 |
|
|
| 尺寸图 |  |  |
|
|
| 外壳材料 | 镀铬铜 | 镀铬铜 |
|
|
| 连接形式 | PVC电缆 | 连接器 M12 |
|
|
| 防护等级 | IP67 | IP67 |
|
|
| 安装形式 | 齐平 | 齐平 |
|
|
| 开关频率 | 1500Hz | 1500Hz |
|
|
| 接线图 | 图2 | 图2 |
|
|
| 工作电压(允许脉动范围) | 10…30VDC(≤20%) | 10…30VDC(≤20%) |
|
|
| 环境温度 | ﹣25℃...+70℃ | ﹣25℃...+70℃ |
|
|
| 电压降 | ≤2.0V | ≤2.0V |
|
|
| 输出电流 | ≤200mA | ≤200mA |
|
|
| 空载电流 | ≤10mA | ≤10mA |
|
|
| LED指示灯 | 内置 | 内置 |
|
|
| 温度漂移%Sr | ≤10% | ≤10% |
|
|
| 回滞%Sr | 1...15%(10%typ) | 1...15%(10%typ) |
|
|
| 重复精度 | ≤10%Sr | ≤10%Sr |
|
|
| 认证 | CE,UL,RoHS | CE,UL,RoHS |
|
|
| 短接保护 | 内置 | 内置 |
|
|
| 极性反向保护 | 内置 | 内置 |
|
|
| 通电行延时 | 内置 | 内置 |
|
|
| NPN,N.O. | ND12-S1-M18 | ND12-S1-M18S |
|
|
| NPN,N.C. | ND12-S2-M18 | ND12-S2-M18S |
|
|
| NPN,N.O.+N.C. | - | - |
|
|
| PNP,N.O. | ND12-S3-M18 | ND12-S3-M18S |
|
|
| PNP,N.C. | ND12-S4-M18 | ND12-S4-M18S |
|
|
| PNP,N.O.+N.C. | - | - |
|
|