M30接近开关-模拟量输出
产品分类:模拟量输出系列
产品规格:标准件
产品品牌:CONTROLWAY
浏览次数:343
上架时间:2023-12-10
产品详情
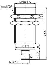
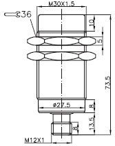
| 外形尺寸 | M30 | M30 | M30 | M30 |
| 检测距离 mm | 0…20 | 0…20 | 0…20 | 0…20 |
| 尺寸图 |  |  |  |  |
| 外壳材料 | 镀镍铜 | 镀镍铜 | 镀镍铜 | 镀镍铜 |
| 连接形式 | PUR 电缆 | PUR 电缆 | 连接器 M12 | 连接器 M12 |
| 防护等级 | IP67 | IP67 | IP67 | IP67 |
| 安装形式 | 准齐平 | 准齐平 | 准齐平 | 准齐平 |
| 切断频率(-3dB) | 200Hz(当S=10mm) | 200Hz(当S=10mm) | 200Hz(当S=10mm) | 200Hz(当S=10mm) |
| 接线图 | 图5 | 图5 | 图5 | 图5 |
| 工作电压(允许脉动范围) | 10…30VDC | 10…30VDC | 10…30VDC | 10…30VDC |
| 环境温度 | ﹣25℃...+70℃ | ﹣25℃...+70℃ | ﹣25℃...+70℃ | ﹣25℃...+70℃ |
| 输出电压 | 0…5V/0…10V | 0…5V/0…10V | 0…5V/0…10V | 0…5V/0…10V |
| 输出电流 | 1…5mA/4…20mA | 1…5mA/4…20mA | 1…5mA/4…20mA | 1…5mA/4…20mA |
| 空载电流 | ≤10mA | ≤10mA | ≤10mA | ≤10mA |
| 温度漂移%Sr | ≤5%(0…70℃) | ≤5%(0…70℃) | ≤5%(0…70℃) | ≤5%(0…70℃) |
| ≤10%(-25…0℃) | ≤10%(-25…0℃) | ≤10%(-25…0℃) | ≤10%(-25…0℃) |
| 认证 | CE,UL,RoHS | CE,UL,RoHS | CE,UL,RoHS | CE,UL,RoHS |
| 短接保护 | 内置 | 内置 | 内置 | 内置 |
| 极性反向保护 | 内置 | 内置 | 内置 | 内置 |
| 通电行延时 | 内置 | 内置 | 内置 | 内置 |
| 输出0…5V/1…5mA | BD20-S9S1-M30 | BD20-S9-M30 | BD20-S9S1-M30S | BD20-S9-M30S |
| 输出0…10V/4…20mA | BD20-S9S1-M30-390 | BD20-S9-M30-390 | BD20-S9S1-M30S-390 | BD20-S9-M30S-390 |
|
|
|
|
|
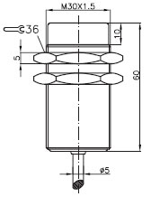
| 外形尺寸 | M30 | M30 | M30 | M30 |
| 检测距离 mm | 0…40 | 0…40 | 0…40 | 0…40 |
| 尺寸图 |  |  |  |  |
| 外壳材料 | 镀镍铜 | 镀镍铜 | 镀镍铜 | 镀镍铜 |
| 连接形式 | PUR 电缆 | PUR 电缆 | 连接器 M12 | 连接器 M12 |
| 防护等级 | IP67 | IP67 | IP67 | IP67 |
| 安装形式 | 非齐平 | 非齐平 | 非齐平 | 非齐平 |
| 切断频率(-3dB) | 100Hz(当S=20mm) | 100Hz(当S=20mm) | 100Hz(当S=20mm) | 100Hz(当S=20mm) |
| 接线图 | 图5 | 图5 | 图5 | 图5 |
| 工作电压(允许脉动范围) | 10…30VDC | 10…30VDC | 10…30VDC | 10…30VDC |
| 环境温度 | ﹣25℃...+70℃ | ﹣25℃...+70℃ | ﹣25℃...+70℃ | ﹣25℃...+70℃ |
| 输出电压 | 0…5V/0…10V | 0…5V/0…10V | 0…5V/0…10V | 0…5V/0…10V |
| 输出电流 | 1…5mA/4…20mA | 1…5mA/4…20mA | 1…5mA/4…20mA | 1…5mA/4…20mA |
| 空载电流 | ≤10mA | ≤10mA | ≤10mA | ≤10mA |
| 温度漂移%Sr | ≤5%(0…70℃) | ≤5%(0…70℃) | ≤5%(0…70℃) | ≤5%(0…70℃) |
| ≤10%(-25…0℃) | ≤10%(-25…0℃) | ≤10%(-25…0℃) | ≤10%(-25…0℃) |
| 认证 | CE,UL,RoHS | CE,UL,RoHS | CE,UL,RoHS | CE,UL,RoHS |
| 短接保护 | 内置 | 内置 | 内置 | 内置 |
| 极性反向保护 | 内置 | 内置 | 内置 | 内置 |
| 通电行延时 | 内置 | 内置 | 内置 | 内置 |
| 输出0…5V/1…5mA | ND40-S9S1-M30 | ND40-S9-M30 | ND40-S9S1-M30S | ND40-S9-M30S |
| 输出0…10V/4…20mA | ND40-S9S1-M30-390 | ND40-S9-M30-390 | ND40-S9S1-M30S-390 | ND40-S9-M30S-390 |