M12接近开关-全金属
产品分类:全金属系列
产品规格:标准件
产品品牌:CONTROLWAY
浏览次数:376
上架时间:2023-12-10
产品详情
| 外形尺寸 | M12 | M12 | M12 | M12 |
| 检测距离 mm | 6 | 6 | 10 | 10 |
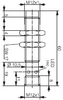
| 尺寸图 |  |  |  |  |
| 外壳材料 | V2A | V2A | V2A | V2A |
| 连接形式 | PUR电缆 | 连接器 M12 | PUR电缆 | 连接器 M12 |
| 防护等级 | IP68&IP69K | IP68&IP69K | IP68&IP69K | IP68&IP69K |
| 安装形式 | 齐平 | 齐平 | 非齐平 | 非齐平 |
| 开关频率 | 600Hz | 600Hz | 400Hz | 400Hz |
| 接线图 | 图1 | 图2 | 图1 | 图2 |
| 工作电压(允许脉动范围) | 10…30VDC(≤20%) | 10…30VDC(≤20%) | 10…30VDC(≤20%) | 10…30VDC(≤20%) |
| 环境温度 | ﹣25℃...+70℃ | ﹣25℃...+70℃ | ﹣25℃...+70℃ | ﹣25℃...+70℃ |
| 电压降 | ≤2.0V | ≤2.0V | ≤2.0V | ≤2.0V |
| 输出电流 | ≤200mA | ≤200mA | ≤200mA | ≤200mA |
| 空载电流 | ≤10mA | ≤10mA | ≤10mA | ≤10mA |
| LED指示灯 | 内置 | 内置 | 内置 | 内置 |
| 温度漂移%Sr | ≤10% | ≤10% | ≤10% | ≤10% |
| 回滞%Sr | 1...15%(10%typ.) | 1...15%(10%typ.) | 1...15%(10%typ.) | 1...15%(10%typ.) |
| 重复精度 | ≤5%Sr | ≤5%Sr | ≤5%Sr | ≤5%Sr |
| 认证 | CE,UL,RoHS | CE,UL,RoHS | CE,UL,RoHS | CE,UL,RoHS |
| 短接保护 | 内置 | 内置 | 内置 | 内置 |
| 极性反向保护 | 内置 | 内置 | 内置 | 内置 |
| 通电行延时 | 内置 | 内置 | 内置 | 内置 |
| NPN,N.O. | BD6-I1-M12 | BD6-I1-M12S | ND10-I1-M12 | ND10-I1-M12S |
| NPN,N.C. | BD6-I2-M12 | BD6-I2-M12S | ND10-I2-M12 | ND10-I2-M12S |
| PNP,N.O. | BD6-I3-M12 | BD6-I3-M12S | ND10-I3-M12 | ND10-I3-M12S |
| PNP,N.C. | BD6-I4-M12 | BD6-I4-M12S | ND10-I4-M12 | ND10-I4-M12S |