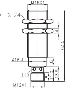
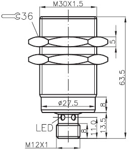
| 外形尺寸 | M12 | M18 | M30 |
| 检测距离 mm | 3 | 5 | 10 |
| 尺寸图 | ![]() | ![]() | ![]() |
| 固定长度 mm | 36 | 36 | 40 |
| 外壳材料 | CuZn | CuZn | CuZn |
| 安全开关距离Sa | 2.4mm | 4.0mm | 8.1mm |
| 感应面材料 | LCP + PTFE | LCP + PTFE | PTFE |
| 拧紧力矩 | 10Nm | 12Nm | 30Nm |
| 插头类型 | M12x1-S04 | M12x1-S04 | M12x1-S04 |
| 机械安装条件 | 齐平 | 齐平 | 齐平 |
| 深度 | 50.0mm | 50.0mm | 65.0mm |
| 环境温度 | -25 °C ... 70 °C | -25 °C ... 70 °C | -25 °C ... 70 °C |
| 表面防护 | PTFE涂层 | PTFE涂层 | PTFE涂层 |
| 附加特性 | 耐焊接 | 耐焊接 | 耐焊接 |
| 认证 | CE,cULus | CE,cULus | CE,cULus |
| 防护等级符合IEC 60529 | IP67 | IP67 | IP67 |
| 防护等级 | II | II | II |
| 开关距离标识 | ■■ | - | - |
| 功能显示 | 是 | 是 | 是 |
| 反极性保护 | 是 | 是 | 是 |
| 工作电压显示 | 否 | 否 | 否 |
| 短路保护 | 是 | 是 | 是 |
| 抗磁场干扰 | 抗磁性干扰,直流电场和交流电场 | 抗磁性干扰,直流电场和交流电场 | 抗磁性干扰,直流电场和交流电场 |
| 测量短路电流 | 100A | 100A | 220A |
| 测量工作电流Ie | 200mA | 200mA | 200mA |
| 测量工作电压Ue DC | 24.0V | 24.0V | 24.0V |
| 测量绝缘电压Ui | 500VAC | 500VAC | 500VAC |
| 磁场强度(干扰磁场) | 125mT | 125mT | 200mT |
| 电压降,静态,最大 | 2.5V | 2.5V | 2V |
| 负荷电容,最大(在Ue下) | 500nF | 500nF | 250nF |
| 工作电压 | 10 ... 30VDC | 10 ... 30VDC | 10 ... 30VDC |
| 开关频率f,最大(在Ue下) | 2000Hz | 2500Hz | 600Hz |
| 无功电流Io,衰减,最大 | 10mA | 11mA | 12mA |
| 无功电流Io,无衰减,最大 | 5mA | 6mA | 9mA |
| 余波,最大(Ue的百分比) | 10% | 10% | 15% |
| 最小工作电流Im | 0mA | 0mA | 0mA |
| PNP,N.O. | BD3-W3-M12S | BD5-W3-M18S | BD10-W3-M30S |
| 接线图 | ![]() | ||



