光电传感器

当前位置:首页>产品中心>CONTROLWAY>光电传感器

槽型光电传感器

产品分类:光电传感器
产品规格:标准件
产品品牌:CONTROLWAY
浏览次数:294
上架时间:2024-02-04
产品详情
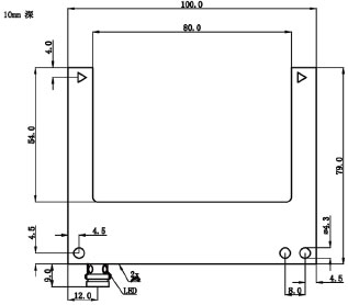
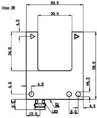
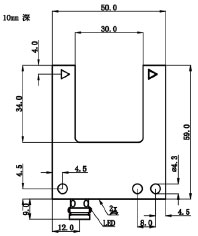
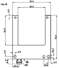
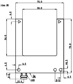
外形尺寸槽型光电槽型光电槽型光电
槽宽30mm30mm50mm
尺寸图1.jpg2.jpg3.jpg
外壳材料塑料金属(阳极氧化铝)金属(阳极氧化铝)
分辨率(可分辨最小物体)0.3mm0.3mm0.5mm
重复精度20μm20μm40μm
开关滞后≤0.1mm≤0.1mm≤0.15mm
灵敏度调节电位计,270°电位计,270°电位计,270°
光源红外光可见红光可见红光
波长640nm640nm640nm
空载电流<35mA<35mA<35mA
响应时间0.33ms0.33ms0.33ms
开关频率1.5kHz1.5kHz1.5kHz
接线图

工作电压10…30VDC
最大输出电流200 mA
输出压降≤2V(PNP) / ≤2.5V(NPN)
温度范围﹣10℃...+60℃
通电延时< 500 μs
EMC防护EN 60947-5-2
过流短路保护内置
极性反向保护内置
防护等级IP67
最大环境光照10 klux
NPN(亮通+暗通)/M8连接器PF-U55-A1-030FPF-U56S-A1-030PF-78S-A1-050
PNP(亮通+暗通)/M8连接器PF-U55-A3-030FPF-U56S-A3-030PF-78S-A3-050
推挽输出PF-U55-A0-030F--

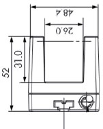
外形尺寸槽型光电激光槽型激光槽型
槽宽80mm30mm50mm
尺寸图4.jpg5.jpg6.jpg
外壳材料金属(阳极氧化铝)金属(阳极氧化铝)金属(阳极氧化铝)
分辨率(可分辨最小物体)0.5mm60μm0.1mm
重复精度60μm15μm
开关滞后≤0.2mm≤20μm
灵敏度调节电位计,270°电位计,270°
光源可见红光激光
波长640nm650nm
空载电流<35mA<35mA
响应时间0.33ms0.16ms
开关频率1.5kHz3kHz
接线图
工作电压10…30VDC
最大输出电流200mA
输出压降≤3V(PNP) / ≤2.5V(NPN)
温度范围﹣10℃...+60℃
通电延时<500μs
过流短路保护内置
极性反向保护内置
防护等级IP67
最大环境光照10klux
NPN(亮通+暗通)/M8连接器PF-U08S-A1-080ZF-U56F-A1-030ZF-U78S-A1-050
PNP(亮通+暗通)/M8连接器PF-U08S-A3-080ZF-U56F-A3-030ZF-U78S-A3-050


上一篇:M30圆柱光电传感器-塑料外壳

下一篇:安装支架及反射板