主要特点:
●两种外形设计,30和60mm槽宽,测量范围分别12和40mm
●1个推挽开关量 + 4-20mA/0-10V模拟量输出, 支持IO-Link接口
●用于材料轨迹校准
●传感器外壳顶部有3个LED和1个按键
●坚固的金属外壳 ,用于恶劣的使用环境
●使用LinkControl设置参数
| 产品描述 | |||||
| bks+超声波纠偏传感器是一种检测不透声波材料例如箔片和纸张的边缘的槽型传感器。这就是为什么bks+能理想的检测透明的箔片,材料,透明度不同和表面有灰尘堆积的纸质材料。槽的下方配备了超声波传感器,周期性的发出短声波脉冲,而安装在槽上方的超声波接收器进行检测。材料进入槽覆盖声波导致接收信号衰减,进行处理计算。根据覆盖的程度来输出模拟量信号。 | |||||
| Teach-in按钮 | |||||
| 通过传感器顶部的Teach-in按钮,可以设置边缘控制的零点位置。对于校准这里有两种方法: | |||||
| 方法1:将被测材料完全撤出传感器,按住按钮近3秒直到两个黄色的LED交替闪烁,设置完毕。 | |||||
| 方法2:将被测材料按传感器上两个标线放入槽内,50%的声波覆盖。然后按住按钮近6秒直到两个黄色的LED常亮,设置完毕。 | |||||
| 三个LED灯 | |||||
| 指示槽内被测物体的位置。检测感光材料时,LED也可以关掉。bks+预先已调整好,可直接使用。它可选择通过LinkControl适配器LCA-2和LinkControl软件进行综合参数化设置。 | |||||
|
| ||||
| 工作原理 | LinkControl适配器LCA-2 | ||||
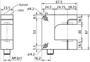
| bks+3 | 外形尺寸 | ||||
|
| ||||
| 工作范围 | ≥12mm (±6mm) | ||||
| 外形设计 | 叉型 | ||||
| 工作模式 | 边缘轨迹检测,IO-Link | ||||
| 测量方法 | 脉冲操作带有振幅估算 | ||||
| 换能器频率 | 170kHz | ||||
| 盲区 | 在发射器与接收器前方5mm处 | ||||
| 分辨率 | 0.01mm | ||||
| 重复精度 | ±0.1mm,在恒定的环境条件 | ||||
| 工作电压 | 20-30Vd.c., 反极性保护 | ||||
| 电压脉动 | ±10% | ||||
| 空载电流损耗 | ≤60mA | ||||
| 连接类型 | 5芯M12接插件 | ||||
| 输入 | com端输入;同步输入;自学习输入 | ||||
| 开关量+模拟量输出 | |||||
| 输出1 | 4-20 mA / 0-10 V (当UB≥15V),递增/递减可切换,短路保护 | ||||
| 输出2 | Push-Pull, UB-3 V, -UB+3 V,Imax = 100 mA,常开/常闭可切换,短路保护 | ||||
| 响应时间 | 5.1ms | ||||
| 上电延时 | <300ms | ||||
| 槽宽 | 30mm | ||||
| 槽深 | 43mm | ||||
| 材质 | 镀锌压铸, 塑料零件, PBT | ||||
| 超声波换能器 | 泡沫聚氨酯,玻璃填充的环氧树脂 | ||||
| 防护等级EN 60529 | IP65 | ||||
| 工作温度 | +5°C - +60°C | ||||
| 储存温度 | -40°C - +85°C | ||||
| 重量 | 190g | ||||
| 控制装置 | 一个按键 | ||||
| 设定范围 | 通过按键设置;通过LCA-2与电脑连接;IO-Link | ||||
| 同步 | 是 | ||||
| 指示灯 | 1xLED绿灯:中心位置; 2xLED黄灯:偏离中心位置 | ||||
| 选型和订货数据 | |||||
| 开关量输出 | 模拟量输出 | 订货型号 | |||
| 1 x Push-Pull | 4-20mA/0-10 V | bks+3/FIU | |||
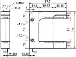
| bks+6 | 外形尺寸 | ||||
![]() |
| ||||
| 工作范围 | ≥40mm (±20mm) | ||||
| 外形设计 | 叉型 | ||||
| 工作模式 | 边缘轨迹检测,IO-Link | ||||
| 测量方法 | 脉冲操作带有振幅估算 | ||||
| 换能器频率 | 310kHz | ||||
| 盲区 | 在发射器与接收器前方5mm处 | ||||
| 分辨率 | 0.01mm | ||||
| 重复精度 | ±0.1mm,在恒定的环境条件 | ||||
| 工作电压 | 20-30Vd.c., 反极性保护 | ||||
| 电压脉动 | ±10% | ||||
| 空载电流损耗 | ≤60mA | ||||
| 连接类型 | 5芯M12接插件 | ||||
| 输入 | com端输入;同步输入;自学习输入 | ||||
| 开关量+模拟量输出 | |||||
| 输出1 | 4-20 mA / 0-10 V (当UB≥15V),递增/递减可切换,短路保护 | ||||
| 输出2 | Push-Pull, UB-3 V, -UB+3 V,Imax = 100 mA,常开/常闭可切换,短路保护 | ||||
| 响应时间 | 6ms | ||||
| 上电延时 | <300ms | ||||
| 槽宽 | 60mm | ||||
| 槽深 | 73mm | ||||
| 材质 | 镀锌压铸, 塑料零件, PBT | ||||
| 超声波换能器 | 泡沫聚氨酯,玻璃填充的环氧树脂 | ||||
| 防护等级EN 60529 | IP65 | ||||
| 工作温度 | +5°C - +60°C | ||||
| 储存温度 | -40°C - +85°C | ||||
| 重量 | 280g | ||||
| 控制装置 | 一个按键 | ||||
| 设定范围 | 通过按键设置;通过LCA-2与电脑连接;IO-Link | ||||
| 同步 | 是 | ||||
| 指示灯 | 1xLED绿灯:中心位置; 2xLED黄灯:偏离中心位置 | ||||
| 选型和订货数据 | |||||
| 开关量输出 | 模拟量输出 | 订货型号 | |||
| 1 x Push-Pull | 4-20mA/0-10 V | bks+6/FIU | |||
| 接线图 | |||||
| |||||
| 1 x Push-Pull + 4-20mA / 0-10 V | |||||






