主要特点:
●3 个控制输入,可根据被测材料进行外部灵敏度选择、触发和自学习
●可选择自学习,例如对覆水沾合在一起的太阳能硅片
●M18安装螺纹,可选NPN或PNP两种开关量输出
●比较适用于检测从瓦楞纸板、塑料片到几个毫米厚的金属板
| 产品描述 |
| dbk+5超声波双张控制器适用于扫描厚度高 于dbk+4超声波双张控制器检测范围的金属薄片,塑料片材和瓦楞纸板。工作原理和dbk+4相同。两者主要的区别在于检测的材料不同。(更多信息见 dbk+4.) |
|
|
|
|
|
| 标准材料 |
| 在dbk+5应用范围中的标准材料是厚度约达2mm的金属薄片(取决于金属的类别),塑料片和厚达几个毫米的印刷电路板,以及粗糙的瓦楞纸板。对于纸张,要求传感器垂直于经过的纸张安装。但是对于金属薄片、塑料片和印刷电路板,在安装dbk+5时对准经过的板材倾斜10-18°比较合适。合适的安装角度,需要经过现场反复测试确定。对于瓦楞纸板,则建议35-45°的安装偏角。 |
|
|
|
|
|
|
| 发射器和接收器 |
| 被封装在M18x1mm的螺纹套筒中,两者安装时需要相距30到70mm。 |
 |
|
|
|
|
|
|
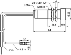
| dbk+5/3CDD/M18 E+S | 外形尺寸 |
| dbk+5/3BEE/M18 E+S |
 |  |
| 工作范围 | 单位面积重量100-2000g/㎡塑料片,合金层压板和厚达5mm的薄膜(取决于材料),自动粘附膜,厚达2mm*的金属薄片,瓦楞纸板,晶片和PCB电路板 。 |
| 设计 | 圆柱形M18 |
| 工作模式 | 双张控制器 |
| 特性 | 发射器和接收器之间距离可以选择,电缆连接 |
| 测量方法 | 脉冲操作带有振幅估算 |
| 换能器频率 | 200kHz |
| 盲区 | 在发射器与接收器前方7mm处 |
| 工作电压 | 20-30Vd.c., 反极性保护 |
| 电压脉动 | ±10% |
| 空载电流损耗 | ≤50mA |
| 连接类型 | 2mPUR电缆, 7 x 0.25mm² |
| 输入 |
|
| 描述 | PNP:< -UB+18V: 逻辑 1; > -UB+13V或控制输入端,开路: l,逻辑:0 ; NPN:< -UB+6V: 逻辑 1; > -UB+10V或控制输入端,开路: l,逻辑:0 |
| 输入1 | 控制输入 |
| 输入2 | 控制输入 |
| 输入3 | 控制输入 |
| 输出 |
|
| 输出1 | 双张pnp输出:Imax = 200mA (UB-2V),常开/常闭 ,可调节 ,短路保护,或双张npn输出:Imax = 200mA (-UB+2V),常开/常闭 ,可调节 ,短路保护 |
| 输出2 | 缺张pnp输出:Imax = 200mA (UB-2V),常开/常闭 ,可调节 ,短路保护,或缺张npn输出:Imax = 200mA (-UB+2V),常开/常闭 ,可调节 ,短路保护 |
| 响应时间 | 触发模式<500µs,自动运行模式为5.5ms |
| 上电延时 | PNP:<300ms;npn:<750ms |
| 发射器-接收器间距 | 30-70mm; 建议: 50mm±3mm |
| 允许的角度偏差 | 与垂直层面成± 45° |
| 材质 | 黄铜套管,镀镍的,塑料零件,PBT,PA |
| 超声波换能器 | 泡沫聚氨酯,玻璃填充的环氧树脂 |
| 螺母最大拧紧力矩 | 15Nm |
| 防护等级EN 60529 | IP65 |
| 工作温度 | +5°C - +60°C |
| 储存温度 | -40°C - +85°C |
| 重量 | 160g |
| 控制装置 | 控制输入 |
| 设定范围 | 通过控制输入选择工作范围;Teach-in;LCA-2 |
| 指示灯 | 1x双LED;绿灯:单张,红灯:双张,红灯闪烁:缺张 |
| 选型和订货数据 |
|
| 开关量输出 | 订货型号 |
| 2 x PNP | dbk+5/3CDD/M18 E+S |
| 2 x NPN | dbk+5/3BEE/M18 E+S |
|
|
|
|
|
|
| dbk+5/Sender/M18/K1(发射器) | 外形尺寸 |
 |  |
| 工作范围 | 单位面积重量100-2000g/㎡塑料片,合金层压板和厚达5mm的薄膜(取决于材料),自动粘附膜,厚达2mm*的金属薄片,瓦楞纸板,晶片和PCB电路板 。 |
| 设计 | 圆柱形M18 |
| 工作模式 | 双张控制器发射器 |
| 测量方法 | 脉冲操作带有振幅估算 |
| 换能器频率 | 200kHz |
| 盲区 | 在发射器与接收器前方7mm处 |
| 连接类型 | 1m PUR电缆,带M8圆形连接器 |
| 发射器-接收器间距 | 30-70mm; 建议: 50mm±3mm |
| 允许的角度偏差 | 与垂直层面成± 45° |
| 材质 | 黄铜套管,镀镍的,塑料零件,PBT,PA |
| 超声波换能器 | 泡沫聚氨酯,玻璃填充的环氧树脂 |
| 螺母最大拧紧力矩 | 15Nm |
| 防护等级EN 60529 | IP65 |
| 工作温度 | +5°C - +60°C |
| 储存温度 | -40°C - +85°C |
| 重量 | 50g |
| 选型和订货数据 |
|
| 订货号 | dbk+5/Sender/M18/K1 |
|
|
|
|
|
|
| dbk+5/Sender/M18/K2(发射器) | 外形尺寸 |
 |  |
| 工作范围 | 单位面积重量100-2000g/㎡塑料片,合金层压板和厚达5mm的薄膜(取决于材料),自动粘附膜,厚达2mm*的金属薄片,瓦楞纸板,晶片和PCB电路板 。 |
| 设计 | 圆柱形M18 |
| 工作模式 | 双张控制器发射器 |
| 测量方法 | 脉冲操作带有振幅估算 |
| 换能器频率 | 200kHz |
| 盲区 | 在发射器与接收器前方7mm处 |
| 连接类型 | 2m PUR电缆,带M8圆形连接器 |
| 发射器-接收器间距 | 30-70mm; 建议: 50mm±3mm |
| 允许的角度偏差 | 与垂直层面成± 45° |
| 材质 | 黄铜套管,镀镍的,塑料零件,PBT,PA |
| 超声波换能器 | 泡沫聚氨酯,玻璃填充的环氧树脂 |
| 螺母最大拧紧力矩 | 15Nm |
| 防护等级EN 60529 | IP65 |
| 工作温度 | +5°C - +60°C |
| 储存温度 | -40°C - +85°C |
| 重量 | 60g |
| 选型和订货数据 |
|
| 订货号 | dbk+5/Sender/M18/K2 |
|
|
|
|
|
|
| dbk+5/Empf/3CDD/M18 | (接收器和运算单元) | 外形尺寸 |
| dbk+5/Empf/3BEE/M18 |
 |  |
| 工作范围 | 单位面积重量100-2000g/㎡塑料片,合金层压板和厚达5mm的薄膜 (取决于材料),自动粘附膜,厚达2mm*的金属薄片,瓦楞纸板,晶片和PCB电路板。 |
| 设计 | 圆柱形M18 |
| 工作模式 | 双张控制器接收器及运算单元 |
| 特性 | 发射器和接收器之间距离可以选择,电缆连接 |
| 测量方法 | 脉冲操作带有振幅估算 |
| 换能器频率 | 200kHz |
| 盲区 | 在发射器与接收器前方7mm处 |
| 工作电压 | 20-30Vd.c., 反极性保护 |
| 电压脉动 | ±10% |
| 空载电流损耗 | ≤50mA |
| 连接类型 | 2mPUR电缆, 7 x 0.25mm² |
| 输入 |
|
| 描述 | PNP:< -UB+18V: 逻辑 1; > -UB+13V或控制输入端,开路: l,逻辑:0 ; NPN:< -UB+6V: 逻辑 1; > -UB+10V或控制输入端,开路: l,逻辑:0 |
| 输入1 | 控制输入 |
| 输入2 | 控制输入 |
| 输入3 | 控制输入 |
| 输出 |
|
| 输出1 | 双张pnp输出:Imax = 200mA (UB-2V),常开/常闭 ,可调节 ,短路保护,或双张npn输出:Imax = 200mA (-UB+2V),常开/常闭 ,可调节 ,短路保护 |
| 输出2 | 缺张pnp输出:Imax = 200mA (UB-2V),常开/常闭 ,可调节 ,短路保护,或缺张npn输出:Imax = 200mA (-UB+2V),常开/常闭 ,可调节 ,短路保护 |
| 响应时间 | 触发模式<500µs,自动运行模式为5.5ms |
| 上电延时 | PNP:<300ms;npn:<750ms |
| 发射器-接收器间距 | 30-70mm; 建议: 50mm±3mm |
| 允许的角度偏差 | 与垂直层面成± 45° |
| 材质 | 黄铜套管,镀镍的,塑料零件,PBT,PA |
| 超声波换能器 | 泡沫聚氨酯,玻璃填充的环氧树脂 |
| 螺母最大拧紧力矩 | 15Nm |
| 防护等级EN 60529 | IP65 |
| 工作温度 | +5°C - +60°C |
| 储存温度 | -40°C - +85°C |
| 重量 | 100g |
| 控制装置 | 控制输入 |
| 设定范围 | 通过控制输入选择工作范围;Teach-in;LCA-2 |
| 指示灯 | 1x双LED;绿灯:单张,红灯:双张,红灯闪烁:缺张 |
| 选型和订货数据 |
|
| 开关量输出 | 订货型号 |
| 2 x PNP | dbk+5/Empf/3CDD/M18 |
| 2 x PNP | dbk+5/Empf/3CDD/M18/ K7K2(7米连接电缆) |
| 2 x NPN | dbk+5/Empf/3BEE/M18 |
|
|
|
|
|
|
| 接线图 |
 |  |
|
|
| 2 x PNP | 2 x NPN |
|
|