主要特点:
●1个或2个PNP开关量输出:4-20mA/0-10V模拟量输出
●开测量值直接以 mm / cm / % 的方式通过LED显示出来
●开关量输出三种工作模式: 漫反射模式, 反射板模式, 窗口模式
●检测距离可调, 近点和远点可调, 常开/常闭可切换, 递增/递减可切换
●五种检测范围: 30-350 / 65-600 / 200-2000 / 350-5000 / 600-8000mm
●通过LED进行数值设置; 通过T1和T2按钮进行Tach-in; 通过调试器设定
●自动同步和异步, 可支持十个传感器近距离同时工作(用Pin5进行同步)
●分辨率0.025-2.4mm, M30安装螺纹,不锈钢外壳,超声波换能器覆有PEEK保护膜,具有很高的抗腐蚀性
| 检测距离:30-350mm | |||||
| 外形尺寸 | 检测区域 | ||||
![]() | ![]() | ||||
| 技术参数 | |||||
| 标准检测范围 | 30-250mm | ||||
| 最大检测范围 | 30-350mm | ||||
| 盲区 | 0-30 mm | ||||
| 可调范围 | 30-350mm 之间,近点和远点可调 | ||||
| 设定范围 | 通过LED进行数值设置; 通过T1和T2按钮进行Tach-in; 通过调试器设定 | ||||
| 换能器频率 | 320kHz | ||||
| 分辩率/采样频率 | 0.025mm(开关量输出); 0.025-0.10mm(模拟量输出) | ||||
| 精度 | ±1%(内置温度漂移补偿) | ||||
| 重复精度 | ±0.15% | ||||
| 工作电压 | 9-30VDC,短路,反极性保护 | ||||
| 电压波动 | ±10% | ||||
| 空载电流 | ≤80mA | ||||
| 开关回滞(开关量输出) | 3mm | ||||
| 开关频率(开关量输出) | 25Hz | ||||
| 响应时间 | 32ms | ||||
| 上电延时 | <300ms | ||||
| 外形 | M30圆柱形 | ||||
| 外壳材质 | 不锈钢; 塑料零件:PBT,TPU | ||||
| 超声波换能器材质 | PEEK涂层,PTFE密封圈 | ||||
| 连接类型 | 5芯M12接插件 | ||||
| 重量 | 110g | ||||
| 指示灯 | 3位数字LED显示; 2x三色LED | ||||
| 工作温度 | -25°C - +70°C | ||||
| 储存温度 | -40°C - +85°C | ||||
| 防护等级 EN 60529 | IP67 | ||||
| 型号 | 输出信号 | ||||
| UA350-M30NP-EM12-P | 1xPush-Pull开关量输出,常开/常闭可切换 | ||||
| UA350-M30P-EM12-P | 1xPNP开关量输出,常开/常闭可切换 | ||||
| UA350-M30PP-EM12-P | 2xPNP开关量输出,常开/常闭可切换 | ||||
| UA350-M30IU-EM12-P | 4-20mA/0-10V模拟量输出,递增/递减可切换 | ||||
| 检测距离:65-600mm | |||||
| 外形尺寸 | 检测区域 | ||||
![]() | ![]() | ||||
| 技术参数 | |||||
| 标准检测范围 | 65-350mm | ||||
| 最大检测范围 | 65-600mm | ||||
| 盲区 | 0-65mm | ||||
| 可调范围 | 65-600mm 之间,近点和远点可调 | ||||
| 设定范围 | 通过LED进行数值设置; 通过T1和T2按钮进行Tach-in; 通过调试器设定 | ||||
| 换能器频率 | 400kHz | ||||
| 分辩率/采样频率 | 0.025mm(开关量输出); 0.025-0.16mm(模拟量输出) | ||||
| 精度 | ±1%(内置温度漂移补偿) | ||||
| 重复精度 | ±0.15% | ||||
| 工作电压 | 9-30VDC,短路,反极性保护 | ||||
| 电压波动 | ±10% | ||||
| 空载电流 | ≤80mA | ||||
| 开关回滞(开关量输出) | 5mm | ||||
| 开关频率(开关量输出) | 8Hz | ||||
| 响应时间 | 70ms | ||||
| 上电延时 | <300ms | ||||
| 外形 | M30圆柱形 | ||||
| 外壳材质 | 不锈钢; 塑料零件:PBT,TPU | ||||
| 超声波换能器材质 | PEEK涂层,PTFE密封圈 | ||||
| 连接类型 | 5芯M12接插件 | ||||
| 重量 | 110g | ||||
| 指示灯 | 3位数字LED显示; 2 x 三色LED 绿灯 | ||||
| 工作温度 | -25°C - +70°C | ||||
| 储存温度 | -40°C - +85°C | ||||
| 防护等级 EN 60529 | IP67 | ||||
| 型号 | 输出信号 | ||||
| UA600-M30NP-EM12-P | 1xPush-Pull开关量输出,常开/常闭可切换 | ||||
| UA600-M30P-EM12-P | 1xPNP开关量输出,常开/常闭可切换 | ||||
| UA600-M30PP-EM12-P | 2xPNP开关量输出,常开/常闭可切换 | ||||
| UA600-M30IU-EM12-P | 4-20mA/0-10V模拟量输出,递增/递减可切换 | ||||
| 检测距离:200-2000mm | |||||
| 外形尺寸 | 检测区域 | ||||
![]() | ![]() | ||||
| 技术参数 | |||||
| 标准检测范围 | 200-1300mm | ||||
| 最大检测范围 | 200-2000mm | ||||
| 盲区 | 0-200mm | ||||
| 可调范围 | 200-2000mm 之间,近点和远点可调 | ||||
| 设定范围 | 通过LED进行数值设置; 通过T1和T2按钮进行Tach-in; 通过调试器设定 | ||||
| 换能器频率 | 200kHz | ||||
| 分辩率/采样频率 | 0.18mm(开关量输出); 0.18-0.57mm(模拟量输出) | ||||
| 精度 | ±1%(内置温度漂移补偿) | ||||
| 重复精度 | ±0.15% | ||||
| 工作电压 | 9-30VDC,短路,反极性保护 | ||||
| 电压波动 | ±10% | ||||
| 空载电流 | ≤80mA | ||||
| 开关回滞(开关量输出) | 20mm | ||||
| 开关频率(开关量输出) | 6Hz | ||||
| 响应时间 | 110ms | ||||
| 上电延时 | <300ms | ||||
| 外形 | M30圆柱形 | ||||
| 外壳材质 | 不锈钢; 塑料零件:PBT,TPU | ||||
| 超声波换能器材质 | PEEK涂层,PTFE密封圈 | ||||
| 连接类型 | 5芯M12接插件 | ||||
| 重量 | 110g | ||||
| 指示灯 | 3位数字LED显示; 2 x 三色LED 绿灯 | ||||
| 工作温度 | -25°C - +70°C | ||||
| 储存温度 | -40°C - +85°C | ||||
| 防护等级 EN 60529 | IP67 | ||||
| 型号 | 输出信号 | ||||
| UA2000-M30NP-EM12-P | 1xPush-Pull开关量输出,常开/常闭可切换 | ||||
| UA2000-M30P-EM12-P | 1xPNP开关量输出,常开/常闭可切换 | ||||
| UA2000-M30PP-EM12-P | 2xPNP开关量输出,常开/常闭可切换 | ||||
| UA2000-M30IU-EM12-P | 4-20mA/0-10V 模模拟量输出,递增/递减可切换 | ||||
UA2000-M30PIU-EM12-P | 1xPNP开关量 + 4-20mA/0-10V模拟量输出,常开/常闭,递增/递减可切换 | ||||
| 检测距离:350-5000mm | |||||
| 外形尺寸 | 检测区域 | ||||
![]() | ![]() | ||||
| 技术参数 | |||||
| 标准检测范围 | 350-3400mm | ||||
| 最大检测范围 | 350-5000mm | ||||
| 盲区 | 0-350mm | ||||
| 可调范围 | 350-5000mm 之间,近点和远点可调 | ||||
| 设定范围 | 通过LED进行数值设置; 通过T1和T2按钮进行Tach-in; 通过调试器设定 | ||||
| 换能器频率 | 120kHz | ||||
| 分辩率/采样频率 | 0.18mm(开关量输出); 0.18-1.5mm(模拟量输出) | ||||
| 精度 | ±1%(内置温度漂移补偿) | ||||
| 重复精度 | ±0.15% | ||||
| 工作电压 | 9-30VDC,短路,反极性保护 | ||||
| 电压波动 | ±10% | ||||
| 空载电流 | ≤80mA | ||||
| 开关回滞(开关量输出) | 50mm | ||||
| 开关频率(开关量输出) | 3Hz | ||||
| 响应时间 | 180ms | ||||
| 上电延时 | <380ms | ||||
| 外形 | M30圆柱形 | ||||
| 外壳材质 | 不锈钢; 塑料零件:PBT,TPU | ||||
| 超声波换能器材质 | PEEK涂层,PTFE密封圈 | ||||
| 连接类型 | 5芯M12接插件 | ||||
| 重量 | 165g | ||||
| 指示灯 | 3位数字LED显示; 2 x 三色LED 绿灯 | ||||
| 工作温度 | -25°C - +70°C | ||||
| 储存温度 | -40°C - +85°C | ||||
| 防护等级 EN 60529 | IP67 | ||||
| 型号 | 输出信号 | ||||
| UA5000-M30NP-EM12-P | 1xPush-Pull开关量输出,常开/常闭可切换 | ||||
| UA5000-M30P-EM12-P | 1xPNP开关量输出,常开/常闭可切换 | ||||
| UA5000-M30PP-EM12-P | 2xPNP开关量输出,常开/常闭可切换 | ||||
| UA5000-M30IU-EM12-P | 4-20mA/0-10V 模模拟量输出,递增/递减可切换 | ||||
UA5000-M30PIU-EM12-P | 1xPNP开关量 + 4-20mA/0-10V模拟量输出,常开/常闭,递增/递减可切换 | ||||
| 检测距离:600-8000mm | |||||
| 外形尺寸 | 检测区域 | ||||
![]() | ![]() | ||||
| 技术参数 | |||||
| 标准检测范围 | 600-6000mm | ||||
| 最大检测范围 | 600-8000mm | ||||
| 盲区 | 0-600mm | ||||
| 可调范围 | 600-80000mm 之间,近点和远点可调 | ||||
| 设定范围 | 通过LED进行数值设置; 通过T1和T2按钮进行Tach-in; 通过调试器设定 | ||||
| 换能器频率 | 80kHz | ||||
| 分辩率/采样频率 | 0.18mm(开关量输出); 0.18-2.4mm(模拟量输出) | ||||
| 精度 | ±1%(内置温度漂移补偿) | ||||
| 重复精度 | ±0.15% | ||||
| 工作电压 | 9-30VDC,短路,反极性保护 | ||||
| 电压波动 | ±10% | ||||
| 空载电流 | ≤80mA | ||||
| 开关回滞(开关量输出) | 100mm | ||||
| 开关频率(开关量输出) | 2Hz | ||||
| 响应时间 | 240ms | ||||
| 上电延时 | <450ms | ||||
| 外形 | M30圆柱形 | ||||
| 外壳材质 | 不锈钢; 塑料零件:PBT,TPU | ||||
| 超声波换能器材质 | PEEK涂层,PTFE密封圈 | ||||
| 连接类型 | 5芯M12接插件 | ||||
| 重量 | 230g | ||||
| 指示灯 | 3位数字LED显示; 2x三色LED 绿灯 | ||||
| 工作温度 | -25°C - +70°C | ||||
| 储存温度 | -40°C - +85°C | ||||
| 防护等级 EN 60529 | IP67 | ||||
| 型号 | 输出信号 | ||||
| UA8000-M30NP-EM12-P | 1xPush-Pull开关量输出,常开/常闭可切换 | ||||
| UA8000-M30P-EM12-P | 1xPNP开关量输出,常开/常闭可切换 | ||||
| UA8000-M30PP-EM12-P | 2xPNP开关量输出,常开/常闭可切换 | ||||
| UA8000-M30IU-EM12-P | 4-20mA/0-10V模模拟量输出,递增/递减可切换 | ||||
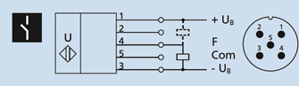
| 接线图 | |||||
![]() | ![]() | ![]() | |||
| 1xPush-Pull开关量输出 | 1xPNP开关量输出 | 2xPNP开关量输出 | |||
![]() | ![]() | ||||
| 4-20mA/0-10V模拟量输出 | 1xPNP开关量输出 + 4-20mA/0-10V模拟量输出 | ||||














