高性能系列

当前位置:首页>产品中心>weellee>超声波传感器>高性能系列

高性能超声波边缘检测传感器

产品分类:高性能系列
产品规格:标准件
产品品牌:weellee
浏览次数:342
上架时间:2023-07-31
产品详情

主要特点:
●1个推挽开关量输出,兼容NPN/PNP + 4-20mA/0-10V模拟量输出 
●工作模式:对射模式(槽型); 常开/常闭可切换,递增/递减可切换

●两种外形设计:30mm 槽宽; 60mm槽宽;两种检测范围:12mm;40mm
●外壳顶部有3个LED指示灯和1个按钮
●通过按钮设置; 通过调试器设置; 通过Pin5进行Teach-in
●自动同步和异步工作,可支持十个传感器同步(使用Pin5进行同步)

●分辨率0.01mm-0.02mm,金属外壳

槽宽:30mm  检测范围:12±6mm
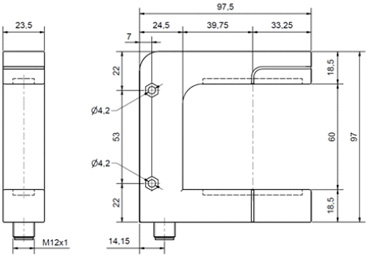
外形尺寸
1.jpg
技术参数
槽宽(发射器-接收器间距)30mm
槽深43mm
检测范围12±6mm
盲区在发射器和接收器前方5mm处
设定零点位置通过按钮设置; 通过调试器设置; 通过Pin5进行Teach-in
换能器频率170kHz
分辩率/采样频率0.01mm
精度±0.1(在恒定环境下)
重复精度±0.15%
工作电压20-30VDC,短路,反极性保护
电压脉动±10%
空载电流≤60mA
响应时间5.1ms
上电延时<300ms
材质镀锌压铸,塑料零件,PBT; 换能器:泡沫聚氨酯,玻璃填充的环氧树脂
连接类型5芯M12接插件
重量190g
指示灯1xLED 绿灯:中心位置     2xLED 黄灯:偏离中心位置
工作温度+5°C - +60°C
储存温度-40°C - +85°C
防护等级 EN 60529IP65
型号输出信号
UAE12-S30NPIU-EM121xPush-Pull 推挽开关量输出,常开/常闭可切换  +  4-20mA/0-10V模拟量输出,递增/递减可切换

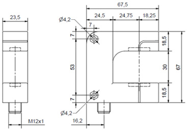
槽宽:60mm  检测范围:40±20mm
外形尺寸
2.jpg
技术参数
槽宽(发射器-接收器间距)60mm
槽深73mm
检测范围40±20mm
盲区在发射器和接收器前方5mm 处
设定零点位置通过按钮设置; 通过调试器设置; 通过Pin5进行Teach-in; IO-Link
换能器频率310kHz
分辩率/采样频率0.02mm
精度±0.1(在恒定环境下)
重复精度±0.15%
工作电压20-30VDC,短路,反极性保护
电压脉动±10%
空载电流≤60mA
响应时间6ms
上电延时<300ms
材质镀锌压铸,塑料零件,PBT; 换能器:泡沫聚氨酯,玻璃填充的环氧树脂
连接类型5芯M12接插件
重量280g
指示灯1xLED 绿灯:中心位置     2xLED 黄灯:偏离中心位置
工作温度+5°C - +60°C
储存温度-40°C - +85°C
防护等级 EN 60529IP65
型号输出信号
UAE40-S60NPIU-EM121xPush-Pull 推挽开关量输出,常开/常闭可切换  +  4-20mA/0-10V模拟量输出,递增/递减可切换






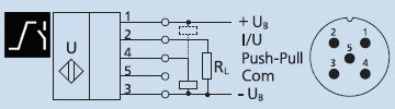
接线图
3.jpg
1xPush-Pull开关量输出 + 4-20mA/0-10V模拟量输出


工作原理:
槽下方的超声波发射器周期性的发出短声波信号,而位于槽上方的接收器对此超声波信号进行评估。当被检测材料进入槽中时,遮挡超声波导致接收信号衰减,通过内部电路进行处理计算,根据遮挡的程度按比例以电压(0-10V)或 电流(4-20mA)值输出。因此,这种工作模式常用于不透声波的透明的箔片、感光材料、透明度不同和表面有灰尘堆积的纸质材料的边缘检测和轨迹校准。
4.jpg


上一篇:高性能超声波双张检测器

下一篇:没有了!