主要特点:
●内径有:Φ5,Φ10,Φ15,Φ21
●外壳材质:PBT
●环形内圈材质:PA
●检测距离:20mm
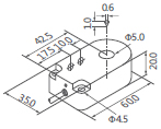
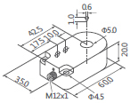
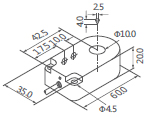
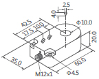
| 环形系列 标准型 直流 电感式接近传感器 | ||||
| 内孔直径 mm | 5 | 10 | ||
| 尺寸图 | ![]() | ![]() | ![]() | ![]() |
| 技术参数 | ||||
| 检测距离 mm | 20 | 20 | 20 | 20 |
| 最小检测物 | D=0.6mm; L=1mm | D=0.6mm; L=1mm | D=2.5mm; L=4mm | D=2.5mm; L=4mm |
| 安装方式 | 非齐平 | 非齐平 | 非齐平 | 非齐平 |
| 工作电压 | 10...30VDC | 10...30VDC | 10...30VDC | 10...30VDC |
| 允许脉动电压 | <10% | <10% | <10% | <10% |
| 空载电流 | <10mA | <10mA | <10mA | <10mA |
| 最大负载电流 | 200mA | 200mA | 200mA | 200mA |
| 漏电流 | <0.01mA | <0.01mA | <0.01mA | <0.01mA |
| 电压降 | <1.5V at 200mA | <1.5V at 200mA | <1.5V at 200mA | <1.5V at 200mA |
| 开关频率 | 2000HZ | 2000HZ | 1000HZ | 1000HZ |
| 脉冲阻抗 | 1000V | 1000V | 1000V | 1000V |
| 开关迟滞 | 15%(Sr) | 15%(Sr) | 15%(Sr) | 15%(Sr) |
| 重复精度 | < ±2%(Sr) | < ±2%(Sr) | < ±2%(Sr) | < ±2%(Sr) |
| 工作温度 | -25°C...+70°C | -25°C...+70°C | -25°C...+70°C | -25°C...+70°C |
| 温度漂移 | < ±10%(Sr) | < ±10%(Sr) | < ±10%(Sr) | < ±10%(Sr) |
| 短路保护 | YES | YES | YES | YES |
| 反极性保护 | YES | YES | YES | YES |
| EMC | RFI>3V/m,EFT>1KV,ESD>4KV(contact) | RFI>3V/m,EFT>1KV,ESD>4KV(contact) | RFI>3V/m,EFT>1KV,ESD>4KV(contact) | RFI>3V/m,EFT>1KV,ESD>4KV(contact) |
| 振动冲击 | IEC 60947-5-2,Part 7.4.1/Part 7.4.2 | IEC 60947-5-2,Part 7.4.1/Part 7.4.2 | IEC 60947-5-2,Part 7.4.1/Part 7.4.2 | IEC 60947-5-2,Part 7.4.1/Part 7.4.2 |
| LED显示 | YES | YES | YES | YES |
| 外壳材质 | PBT | PBT | PBT | PBT |
| 环形内圈材质 | PA | PA | PA | PA |
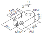
| 连接方式 | PVC 2m 电缆 | M12 连接器 | PVC 2m 电缆 | M12 连接器 |
| 防护等级 | IP 67 | IP 67 | IP 67 | IP 67 |
| 选型 | ||||
| DC 3线 NPN 常开 | D20-R5F2-N1-C2M | D20-R5F2-N1-CM12 | D20-R10F2-N1-C2M | D20-R10F2-N1-CM12 |
| DC 3线 NPN 常闭 | D20-R5F2-N2-C2M | D20-R5F2-N2-CM12 | D20-R10F2-N2-C2M | D20-R10F2-N2-CM12 |
| DC 3线 PNP 常开 | D20-R5F2-P1-C2M | D20-R5F2-P1-CM12 | D20-R10F2-P1-C2M | D20-R10F2-P1-CM12 |
| DC 3线 PNP 常闭 | D20-R5F2-P2-C2M | D20-R5F2-P2-CM12 | D20-R10F2-P2-C2M | D20-R10F2-P2-CM12 |
| DC 4线 NPN 常开+常闭 | D20-R5F2-N3-D2M | D20-R5F2-N3-DM12 | D20-R10F2-N3-D2M | D20-R10F2-N3-DM12 |
| DC 4线 PNP 常开+常闭 | D20-R5F2-P3-D2M | D20-R5F2-P3-DM12 | D20-R10F2-P3-D2M | D20-R10F2-P3-DM12 |
| 环形系列 标准型 直流 电感式接近传感器 | ||||
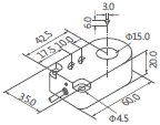
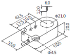
| 内孔直径 mm | 15 | 21 | ||
| 尺寸图 | ![]() | ![]() | ![]() | ![]() |
| 技术参数 | ||||
| 检测距离 mm | 20 | 20 | 20 | 20 |
| 最小检测物 | D=3mm; L=6mm | D=3mm; L=6mm | D=6mm; L=12mm | D=6mm; L=12mm |
| 安装方式 | 非齐平 | 非齐平 | 非齐平 | 非齐平 |
| 工作电压 | 10...30VDC | 10...30VDC | 10...30VDC | 10...30VDC |
| 允许脉动电压 | <10% | <10% | <10% | <10% |
| 空载电流 | <10mA | <10mA | <10mA | <10mA |
| 最大负载电流 | 200mA | 200mA | 200mA | 200mA |
| 漏电流 | <0.01mA | <0.01mA | <0.01mA | <0.01mA |
| 电压降 | <1.5V at 200mA | <1.5V at 200mA | <1.5V at 200mA | <1.5V at 200mA |
| 开关频率 | 800HZ | 800HZ | 500HZ | 500HZ |
| 脉冲阻抗 | 1000V | 1000V | 1000V | 1000V |
| 开关迟滞 | 15%(Sr) | 15%(Sr) | 15%(Sr) | 15%(Sr) |
| 重复精度 | < ±2%(Sr) | < ±2%(Sr) | < ±2%(Sr) | < ±2%(Sr) |
| 工作温度 | -25°C...+70°C | -25°C...+70°C | -25°C...+70°C | -25°C...+70°C |
| 温度漂移 | < ±10%(Sr) | < ±10%(Sr) | < ±10%(Sr) | < ±10%(Sr) |
| 短路保护 | YES | YES | YES | YES |
| 反极性保护 | YES | YES | YES | YES |
| EMC | RFI>3V/m,EFT>1KV,ESD>4KV(contact) | RFI>3V/m,EFT>1KV,ESD>4KV(contact) | RFI>3V/m,EFT>1KV,ESD>4KV(contact) | RFI>3V/m,EFT>1KV,ESD>4KV(contact) |
| 振动冲击 | IEC 60947-5-2,Part 7.4.1/Part 7.4.2 | IEC 60947-5-2,Part 7.4.1/Part 7.4.2 | IEC 60947-5-2,Part 7.4.1/Part 7.4.2 | IEC 60947-5-2,Part 7.4.1/Part 7.4.2 |
| LED显示 | YES | YES | YES | YES |
| 外壳材质 | PBT | PBT | PBT | PBT |
| 环形内圈材质 | PA | PA | PA | PA |
| 连接方式 | PVC 2m 电缆 | M12 连接器 | PVC 2m 电缆 | M12 连接器 |
| 防护等级 | IP 67 | IP 67 | IP 67 | IP 67 |
| 选型 | ||||
| DC 3线 NPN 常开 | D20-R15F2-N1-C2M | D20-R15F2-N1-CM12 | D20-R21F2-N1-C2M | D20-R21F2-N1-CM12 |
| DC 3线 NPN 常闭 | D20-R15F2-N2-C2M | D20-R15F2-N2-CM12 | D20-R21F2-N2-C2M | D20-R21F2-N2-CM12 |
| DC 3线 PNP 常开 | D20-R15F2-P1-C2M | D20-R15F2-P1-CM12 | D20-R21F2-P1-C2M | D20-R21F2-P1-CM12 |
| DC 3线 PNP 常闭 | D20-R15F2-P2-C2M | D20-R15F2-P2-CM12 | D20-R21F2-P2-C2M | D20-R21F2-P2-CM12 |
| DC 4线 NPN 常开+常闭 | D20-R15F2-N3-D2M | D20-R15F2-N3-DM12 | D20-R21F2-N3-D2M | D20-R21F2-N3-DM12 |
| DC 4线 PNP 常开+常闭 | D20-R15F2-P3-D2M | D20-R15F2-P3-DM12 | D20-R21F2-P3-D2M | D20-R21F2-P3-DM12 |







