常规系列

当前位置:首页>产品中心>weellee>电容式接近开关>常规系列

Q50常规直流电容式接近传感器

产品分类:常规系列
产品规格:标准件
产品品牌:weellee
浏览次数:351
上架时间:2023-06-30
产品详情

主要特点:
●检测距离可调
●外壳材质:PBT
●感应面材质:PBT
●最大检测距离:10mm

常规系列  Q50  标准型  直流  电容式接近传感器
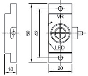
外形尺寸Q50
尺寸图Q50-1.jpg
技术参数
检测距离 mm2-10 (可调)
安装方式非齐平
工作电压10...30VDC
允许脉动电压<10%
空载电流<10mA
最大负载电流200mA
漏电流<0.01mA
电压降<2VDC
开关频率100HZ
开关迟滞<15%(Sr)
重复精度< ±5%(Sr)
工作温度-25°C...+70°C
温度漂移< ±10%(Sr)
短路保护YES
反极性保护YES
LED显示YES
外壳材PBT
感应面材质PBT
连接方式PVC 2m 电缆
防护等级IP 67
选型
DC 3线 NPN 常开F10-Q50F2-N1-C2M
DC 3线 NPN 常闭F10-Q50F2-N2-C2M
DC 3线 PNP 常开F10-Q50F2-P1-C2M
DC 3线 PNP 常闭F10-Q50F2-P2-C2M
DC 4线 NPN 常开+常闭F10-Q50F2-N3-D2M
DC 4线 PNP 常开+常闭F10-Q50F2-P3-D2M

 

上一篇:Q33常规直流电容式接近传感器

下一篇:M18交流&交/直流电容式接近传感器