环形系列

当前位置:首页>产品中心>weellee>电容式接近开关>环形系列

环形电容式接近传感器

产品分类:环形系列
产品规格:标准件
产品品牌:weellee
浏览次数:470
上架时间:2023-06-30
产品详情

主要特点:
●内径有:Φ5,Φ10,Φ15,Φ21
●外壳材质:PBT
●环形内圈材质:PA
●检测距离:20mm

环形系列  标准型  直流  电容式接近传感器
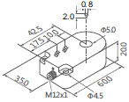
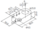
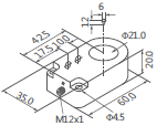
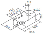
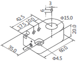
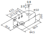
内孔直径 mm510
尺寸图5mm.jpg5mm-2.jpg10mm.jpg10mm-2.jpg
技术参数
检测距离 mm20202020
最小检测物D=0.8mm; L=2mmD=0.8mm; L=2mmD=2.5mm; L=4mmD=2.5mm; L=4mm
安装方式非齐平非齐平非齐平非齐平
工作电压10...30VDC10...30VDC10...30VDC10...30VDC
允许脉动电压<10%<10%<10%<10%
空载电流<10mA<10mA<10mA<10mA
最大负载电流200mA200mA200mA200mA
漏电流<0.01mA<0.01mA<0.01mA<0.01mA
电压降<1.5V at 200mA<1.5V at 200mA<1.5V at 200mA<1.5V at 200mA
开关频率500HZ500HZ500HZ500HZ
开关迟滞15%(Sr)15%(Sr)15%(Sr)15%(Sr)
重复精度< ±2%(Sr)< ±2%(Sr)< ±2%(Sr)< ±2%(Sr)
工作温度-25°C...+70°C-25°C...+70°C-25°C...+70°C-25°C...+70°C
温度漂移< ±10%(Sr)< ±10%(Sr)< ±10%(Sr)< ±10%(Sr)
短路保护YESYESYESYES
反极性保护YESYESYESYES
EMCRFI>3V/m,EFT>1KV,ESD>4KV(contact)RFI>3V/m,EFT>1KV,ESD>4KV(contact)RFI>3V/m,EFT>1KV,ESD>4KV(contact)RFI>3V/m,EFT>1KV,ESD>4KV(contact)
振动冲击IEC 60947-5-2,Part 7.4.1/Part 7.4.2IEC 60947-5-2,Part 7.4.1/Part 7.4.2IEC 60947-5-2,Part 7.4.1/Part 7.4.2IEC 60947-5-2,Part 7.4.1/Part 7.4.2
LED显示YESYESYESYES
外壳材PBTPBTPBTPBT
环形内圈材质PAPAPAPA
连接方式PVC 2m 电缆M12 连接器PVC 2m 电缆M12 连接器
防护等级IP 67IP 67IP 67IP 67
选型
DC 3线 NPN 常开F20-R5F2-N1-C2MF20-R5F2-N1-CM12F20-R10F2-N1-C2MF20-R10F2-N1-CM12
DC 3线 NPN 常闭F20-R5F2-N2-C2MF20-R5F2-N2-CM12F20-R10F2-N2-C2MF20-R10F2-N2-CM12
DC 3线 PNP 常开F20-R5F2-P1-C2MF20-R5F2-P1-CM12F20-R10F2-P1-C2MF20-R10F2-P1-CM12
DC 3线 PNP 常闭F20-R5F2-P2-C2MF20-R5F2-P2-CM12F20-R10F2-P2-C2MF20-R10F2-P2-CM12
DC 4线 NPN 常开+常闭F20-R5F2-N3-D2MF20-R5F2-N3-DM12F20-R10F2-N3-D2MF20-R10F2-N3-DM12
DC 4线 PNP 常开+常闭F20-R5F2-P3-D2MF20-R5F2-P3-DM12F20-R10F2-P3-D2MF20-R10F2-P3-DM12
环形系列  标准型  直流  电容式接近传感器
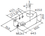
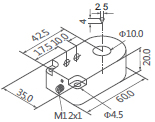
内孔直径 mm1521
尺寸图15mm.jpg15mm-2.jpg21mm.jpg21mm-2.jpg
技术参数
检测距离 mm20202020
最小检测物D=3mm; L=6mmD=3mm; L=6mmD=6mm; L=12mmD=6mm; L=12mm
安装方式非齐平非齐平非齐平非齐平
工作电压10...30VDC10...30VDC10...30VDC10...30VDC
允许脉动电压<10%<10%<10%<10%
空载电流<10mA<10mA<10mA<10mA
最大负载电流200mA200mA200mA200mA
漏电流<0.01mA<0.01mA<0.01mA<0.01mA
电压降<1.5V at 200mA<1.5V at 200mA<1.5V at 200mA<1.5V at 200mA
开关频率400HZ400HZ300HZ300HZ
开关迟滞15%(Sr)15%(Sr)15%(Sr)15%(Sr)
重复精度< ±2%(Sr)< ±2%(Sr)< ±2%(Sr)< ±2%(Sr)
工作温度-25°C...+70°C-25°C...+70°C-25°C...+70°C-25°C...+70°C
温度漂移< ±10%(Sr)< ±10%(Sr)< ±10%(Sr)< ±10%(Sr)
短路保护YESYESYESYES
反极性保护YESYESYESYES
EMCRFI>3V/m,EFT>1KV,ESD>4KV(contact)RFI>3V/m,EFT>1KV,ESD>4KV(contact)RFI>3V/m,EFT>1KV,ESD>4KV(contact)RFI>3V/m,EFT>1KV,ESD>4KV(contact)
振动冲击IEC 60947-5-2,Part 7.4.1/Part 7.4.2IEC 60947-5-2,Part 7.4.1/Part 7.4.2IEC 60947-5-2,Part 7.4.1/Part 7.4.2IEC 60947-5-2,Part 7.4.1/Part 7.4.2
LED显示YESYESYESYES
外壳材PBTPBTPBTPBT
环形内圈材质PAPAPAPA
连接方式PVC 2m 电缆M12 连接器PVC 2m 电缆M12 连接器
防护等级IP 67IP 67IP 67IP 67
选型
DC 3线 NPN 常开F20-R15F2-N1-C2MF20-R15F2-N1-CM12F20-R21F2-N1-C2MF20-R21F2-N1-CM12
DC 3线 NPN 常闭F20-R15F2-N2-C2MF20-R15F2-N2-CM12F20-R21F2-N2-C2MF20-R21F2-N2-CM12
DC 3线 PNP 常开F20-R15F2-P1-C2MF20-R15F2-P1-CM12F20-R21F2-P1-C2MF20-R21F2-P1-CM12
DC 3线 PNP 常闭F20-R15F2-P2-C2MF20-R15F2-P2-CM12F20-R21F2-P2-C2MF20-R21F2-P2-CM12
DC 4线 NPN 常开+常闭F20-R15F2-N3-D2MF20-R15F2-N3-DM12F20-R21F2-N3-D2MF20-R21F2-N3-DM12
DC 4线 PNP 常开+常闭F20-R15F2-P3-D2MF20-R15F2-P3-DM12F20-R21F2-P3-D2MF20-R21F2-P3-DM12


上一篇:没有了!

下一篇:没有了!