主要特点:
● M12螺纹套管
●1个pnp或npn开关量输出,1个推挽开关量输出(兼容pnp或npn),4-20mA / 0-10V模拟量输出, 推挽输出支持SIO和IO-link模式
● 2种检测范围
● 通过pin2进行Teach-in
| 开关量输出的nano传感器有三种工作模式: | |||||
| 漫反射模式(单开关点模式)的自学习: | 反射板模式的自学习: | 窗口模式的自学习 & 模拟量输出的设置: | |||
![]() | ![]() | ![]() | |||
| ● 将被测目标物放在想要的检测距离(1)处,使之被传感器检测到 | ●可以使用一个固定的反射物当作反射板 | ● 将被测物体放置于窗口的近点(1)处 | |||
| ● 将pin2接到+UB大约3秒 | ● 将 pin2连接到+UB大约3秒 | ● 将pin2连接到+UB大约3秒,直到两个灯都开始闪烁 | |||
| ● 然后将pin2再次连接到+UB大约1秒 | ● 然后将pin2再次接到+UB大约10秒 | ● 然后将被测物体移动到窗口的远点(2)处 | |||
| ● 然后将pin2再次连接到+UB大约1秒,直到LED2熄灭 | |||||
| NCC/NOC(常开/常闭) | 1个绿订和1个黄灯 | 集成IO-Link | |||
| 开关量输出的常闭/常开,模拟量的递增/递减可以通过pin2设定。 | 指示传感器的输出状态和teach-in的进程。 | nano推挽输出型号支持IO-link通讯。 | |||
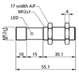
| nano-15 | 外形尺寸:开关量输出 | 外形尺寸:模拟量输出 | 检测区域 | ||
|
|
|
| ||
| 检测范围 | 20-250mm | ||||
| 外形设计 | 圆柱形M12 | ||||
| 工作模式 | 接近开关/漫反射模式;反射板模式;窗口模式;模拟距离测量;推挽输出还支持IO-Link | ||||
| 特性 | 狭窄的声波 | ||||
| 测量方法 | 回波传播时间 | ||||
| 换能器频率 | 380kHz | ||||
| 盲区 | 20mm | ||||
| 检测范围 | 150mm | ||||
| 最大检测范围 | 250mm | ||||
| 分辨率 | 0.10mm | ||||
| 重复精度 | ±0.15% | ||||
| 精度 | ±1%(内置温度漂移补偿) | ||||
| 工作电压 | 10-30Vd.c., 反极性保护 | ||||
| 电压脉动 | ±10% | ||||
| 空载电流损耗 | 开关量输出:≤25mA ;推挽输出和模拟量输出:≤30mA | ||||
| 连接类型 | 4芯M12接插件 | ||||
| 输入 | 自学习输入 | ||||
| 推挽开关量输出 | Push-Pull,UB -3V, -UB +3V,Imax=100mA,常开/常闭可切换,短路保护 | ||||
| 开关回滞 | 2mm | ||||
| 开关频率 | 25Hz | ||||
| 响应时间 | 32ms | ||||
| 上电延时 | <300ms | ||||
| PNP/NPN开关量输出 | pnp:Imax=200mA (UB -2V),或 npn:Imax=200mA (-UB +2V),常开/常闭可切换,短路保护 | ||||
| 开关回滞 | 2mm | ||||
| 开关频率 | 31Hz | ||||
| 响应时间 | 24ms | ||||
| 上电延时 | <300ms | ||||
| 模拟量输出 | 4-20 mA / 0-10 V (当 UB≥15V),递增/递减可切换,短路保护 | ||||
| 响应时间 | 24ms | ||||
| 上电延时 | <300ms | ||||
| 材质 | 铜套,镀镍,塑料零件,PBT | ||||
| 超声波换能器 | 泡沫聚氨酯,玻璃填充的环氧树脂 | ||||
| 防护等级EN 60529 | IP67 | ||||
| 工作温度 | -25°C - +70°C | ||||
| 储存温度 | -40°C - +85°C | ||||
| 重量 | 15g | ||||
| 设定范围 | 通过pin2进行Teach-in;推挽输出还可通过IO-Link智能配置 | ||||
| 指示灯 | 工作:1 x LED 绿灯; 检测到目标物:1 x LED 黄灯 | ||||
| 选型和订货数据 | |||||
| 开关量输出 | 模拟量输出 | 订货型号 | |||
| 1 x Push-Pull | --- | nano-15/CF | |||
| 1 x PNP | --- | nano-15/CD | |||
| 1 x NPN | --- | nano-15/CE | |||
| --- | 4-20mA | nano-15/CI | |||
| --- | 0-10V | nano-15/CU | |||
| nano-24 | 外形尺寸:开关量输出 | 外形尺寸:模拟量输出 | 检测区域 | ||
|
|
|
| ||
| 检测范围 | 40-350mm | ||||
| 外形设计 | 圆柱形M12 | ||||
| 工作模式 | 接近开关/漫反射模式;反射板模式;窗口模式;模拟距离测量;推挽输出还支持IO-Link | ||||
| 特性 | 狭窄的声波 | ||||
| 测量方法 | 回波传播时间 | ||||
| 换能器频率 | 500kHz | ||||
| 盲区 | 40mm | ||||
| 检测范围 | 240mm | ||||
| 最大检测范围 | 350mm | ||||
| 分辨率 | 0.10mm | ||||
| 重复精度 | ±0.15% | ||||
| 精度 | ±1%(内置温度漂移补偿) | ||||
| 工作电压 | 10-30Vd.c., 反极性保护 | ||||
| 电压脉动 | ±10% | ||||
| 空载电流损耗 | 开关量输出:≤35mA ;推挽输出和模拟量输出:≤40mA | ||||
| 连接类型 | 4芯M12接插件 | ||||
| 输入 | 自学习输入 | ||||
| 推挽开关量输出 | Push-Pull,UB -3V, -UB +3V,Imax=100mA,常开/常闭可切换,短路保护 | ||||
| 开关回滞 | 3mm | ||||
| 开关频率 | 20Hz | ||||
| 响应时间 | 40ms | ||||
| 上电延时 | <300ms | ||||
| PNP或NPN开关量输出 | pnp:Imax=200mA (UB -2V),或 npn:Imax=200mA (-UB +2V),常开/常闭可切换,短路保护 | ||||
| 开关回滞 | 3mm | ||||
| 开关频率 | 25Hz | ||||
| 响应时间 | 30ms | ||||
| 上电延时 | <300ms | ||||
| 模拟量输出 | 4-20 mA / 0-10 V (当 UB≥15V),递增/递减可切换,短路保护 | ||||
| 响应时间 | 30ms | ||||
| 上电延时 | <300ms | ||||
| 材质 | 铜套,镀镍,塑料零件,PBT | ||||
| 超声波换能器 | 泡沫聚氨酯,玻璃填充的环氧树脂 | ||||
| 防护等级EN 60529 | IP67 | ||||
| 工作温度 | -25°C - +70°C | ||||
| 储存温度 | -40°C - +85°C | ||||
| 重量 | 15g | ||||
| 设定范围 | 通过pin2进行Teach-in;推挽输出还可通过IO-Link智能配置 | ||||
| 指示灯 | 工作:1 x LED 绿灯; 检测到目标物:1 x LED 黄灯 | ||||
| 选型和订货数据 | |||||
| 开关量输出 | 模拟量输出 | 订货型号 | |||
| 1 x Push-Pull | --- | nano-24/CF | |||
| 1 x PNP | --- | nano-24/CD | |||
| 1 x NPN | --- | nano-24/CE | |||
| --- | 4-20mA | nano-24/CI | |||
| --- | 0-10V | nano-24/CU | |||
| 接线图 | |||||
|
|
| |||
| Push-Pull | PNP | NPN | |||
![]() | |||||
| 4-20mA / 0-10V | |||||














