主要特点:
●
M18螺纹套管,有顶端 90°弯曲的型号
● 4种检测范围
● 自动同步和异步工作, 可支持十个传感器近距离同时工作,推挽输出支持SIO和IO-link模式
● 2个推挽开关量输出(兼容pnp或npn),4-20mA / 0-10V模拟量加1个推挽开关量输出,可通过pin5来进行teach-in,或通过连接电脑来配置传感器参数
| 开关量输出的lpc+传感器有三种工作模式: | |||||
| 漫反射模式(单开关点模式)的自学习: | 反射板模式的自学习: | 窗口模式的自学习 & 模拟量输出的设置: | |||
![]() | ![]() |
| |||
| ● 将被测目标物放在想要的检测距离(1)处,使之被传感器检测到 | ● 可以使用一个固定的反射物当作反射板 | ● 将被测物体放置于窗口的近点(1)处 | |||
| ● 将pin5接到+UB大约3秒 | ● 然后将pin5再次连接到+UB大约1秒,直到LED2熄灭 | ● 将pin5连接到+UB大约3秒,直到两个灯都开始闪烁 | |||
| ● 然后将pin5再次连接到+UB大约1秒 | ● 然后将pin5再次接到+UB大约10秒 | ● 然后将被测物体移动到窗口的远点(2)处 | |||
| ● 然后将pin5再次连接到+UB大约1秒,直到LED2熄灭 | |||||
| NCC/NOC(常闭/常开) | 1个绿灯和1个黄灯 | 集成IO-Link | |||
| 开关量输出的常闭/常开,模拟量的递增/递减可以通过pin5设定。 | 指示传感器的输出状态和teach-in的进程。 | lpc+推挽输出型号支持IO-Link通讯。 | |||
| LinkControl | |||||
![]() | |||||
| lpc+系列超声波传感器可以选择性的进行参数设置,LCA-2连接控制适配器作为配件和电脑之间的连接。 | |||||
| 易于同步 | |||||
![]() | |||||
| 若干个lpc+超声波传感器可以在一些应用中近距离安装运行,通过同步来避免它们间的相互干扰。 为了实现这个目的,需要将传感器的pin5连接在一起,激活传感器的同步功能。如果多于10个传感器同步,需要使用同步箱来实现。 | |||||
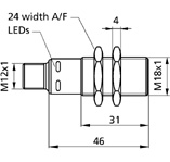
| lpc+15 | 外形尺寸:径向 | 外形尺寸:顶部90度弯曲 | 检测区域 | ||
|
|
|
| ||
| 检测范围 | 20-250mm | ||||
| 外形设计 | 圆柱形M18 | ||||
| 工作模式 | 接近开关/漫反射模式;反射板模式;窗口模式;模拟距离测量;推挽输出还支持IO-Link | ||||
| 特性 | 狭窄的声波 | ||||
| 测量方法 | 回波传播时间 | ||||
| 换能器频率 | 380kHz | ||||
| 盲区 | 20mm | ||||
| 检测范围 | 150mm | ||||
| 最大检测范围 | 250mm | ||||
| 分辨率 | 0.1mm | ||||
| 重复精度 | ±0.15% | ||||
| 精度 | ±1%(内置温度漂移补偿) | ||||
| 工作电压 | 10-30Vd.c., 反极性保护 | ||||
| 电压脉动 | ±10% | ||||
| 空载电流损耗 | ≤50mA | ||||
| 连接类型 | 5芯M12接插件 | ||||
| 输入 | com端输入;同步输入;自学习输入 | ||||
| 2个推挽开关量输出 | |||||
| 输出1 | Push-Pull,UB -3V, -UB +3V,Imax=100mA,常开/常闭可切换,短路保护 | ||||
| 输出2 | Push-Pull,UB -3V, -UB +3V,Imax=100mA,常开/常闭可切换,短路保护 | ||||
| 开关回滞 | 2mm | ||||
| 开关频率 | 25Hz | ||||
| 响应时间 | 32ms | ||||
| 上电延时 | <300ms | ||||
| 1个推挽开关量+模拟量输出 | |||||
| 输出1 | Push-Pull,UB -3V, -UB +3V,Imax=100mA,常开/常闭可切换,短路保护 | ||||
| 输出2 | 4-20 mA / 0-10 V (当 UB≥15V),递增/递减可切换,短路保护 | ||||
| 开关回滞 | 2mm | ||||
| 开关频率 | 25Hz | ||||
| 响应时间 | 32ms | ||||
| 上电延时 | <300ms | ||||
| 材质 | 黄铜套管,镀镍的,塑料零件,PBT,PA | ||||
| 超声波换能器 | 泡沫聚氨酯,玻璃填充的环氧树脂 | ||||
| 螺母最大拧紧力矩 | 15Nm | ||||
| 防护等级EN 60529 | IP67 | ||||
| 工作温度 | -25°C - +70°C | ||||
| 储存温度 | -40°C - +85°C | ||||
| 重量 | 径向:35g ; 顶部90度弯曲:40g | ||||
| 设定范围 | 通过LCA-2与电脑连接;通过pin5进行Teach-in;推挽输出还可通过IO-Link智能配置 | ||||
| 多通道 | 是 | ||||
| 指示灯 | 工作:2 x LED 绿灯; 检测到目标物:2 x LED 黄灯 | ||||
| 选型和订货数据 | |||||
| 开关量输出 | 模拟量输出 | 订货型号 | |||
| 2 x Push-Pull | --- | lpc+15/CFF | |||
| 2 x Push-Pull | --- | lpc+15/WK/CFF (顶端90°弯曲) | |||
| 1 x Push-Pull | 4-20mA | lpc+15/CFI | |||
| 1 x push-Pull | 4-20mA | lpc+15/WK/CFI (顶端90°弯曲) | |||
| 1 x Push-Pull | 0-10V | lpc+15/CFU | |||
| 1 x Push-Pull | 0-10V | lpc+15/WK/CFU (顶端90°弯曲) | |||
| lpc+25 | 外形尺寸:径向 | 外形尺寸:顶部90度弯曲 | 检测区域 | ||
|
|
|
| ||
| 检测范围 | 30-350mm | ||||
| 外形设计 | 圆柱形M18 | ||||
| 工作模式 | 接近开关/漫反射模式;反射板模式;窗口模式;模拟距离测量;推挽输出还支持IO-Link | ||||
| 特性 | 狭窄的声波 | ||||
| 测量方法 | 回波传播时间 | ||||
| 换能器频率 | 380kHz | ||||
| 盲区 | 30mm | ||||
| 检测范围 | 250mm | ||||
| 最大检测范围 | 350mm | ||||
| 分辨率 | 0.1mm | ||||
| 重复精度 | ±0.15% | ||||
| 精度 | ±1%(内置温度漂移补偿) | ||||
| 工作电压 | 10-30Vd.c., 反极性保护 | ||||
| 电压脉动 | ±10% | ||||
| 空载电流损耗 | ≤50mA | ||||
| 连接类型 | 5芯M12接插件 | ||||
| 输入 | com端输入;同步输入;自学习输入 | ||||
| 2个推挽开关量输出 | |||||
| 输出1 | Push-Pull,UB -3V, -UB +3V,Imax=100mA,常开/常闭可切换,短路保护 | ||||
| 输出2 | Push-Pull,UB -3V, -UB +3V,Imax=100mA,常开/常闭可切换,短路保护 | ||||
| 开关回滞 | 3mm | ||||
| 开关频率 | 25Hz | ||||
| 响应时间 | 32ms | ||||
| 上电延时 | <300ms | ||||
| 1个推挽开关量+模拟量输出 | |||||
| 输出1 | Push-Pull,UB -3V, -UB +3V,Imax=100mA,常开/常闭可切换,短路保护 | ||||
| 输出2 | 4-20 mA / 0-10 V (当 UB≥15V),递增/递减可切换,短路保护 | ||||
| 开关回滞 | 3mm | ||||
| 开关频率 | 25Hz | ||||
| 响应时间 | 32ms | ||||
| 上电延时 | <300ms | ||||
| 材质 | 黄铜套管,镀镍的,塑料零件,PBT,PA | ||||
| 超声波换能器 | 泡沫聚氨酯,玻璃填充的环氧树脂 | ||||
| 螺母最大拧紧力矩 | 15Nm | ||||
| 防护等级EN 60529 | IP67 | ||||
| 工作温度 | -25°C - +70°C | ||||
| 储存温度 | -40°C - +85°C | ||||
| 重量 | 径向:35g ; 顶部90度弯曲:40g | ||||
| 设定范围 | 通过LCA-2与电脑连接;通过pin5进行Teach-in;推挽输出还可通过IO-Link智能配置 | ||||
| 多通道 | 是 | ||||
| 指示灯 | 工作:2 x LED 绿灯; 检测到目标物:2 x LED 黄灯 | ||||
| 选型和订货数据 | |||||
| 开关量输出 | 模拟量输出 | 订货型号 | |||
| 2 x Push-Pull | --- | lpc+25/CFF | |||
| 2 x Push-Pull | --- | lpc+25/WK/CFF (顶端90°弯曲) | |||
| 1 x Push-Pull | 4-20mA | lpc+25/CFI | |||
| 1 x push-Pull | 4-20mA | lpc+25/WK/CFI (顶端90°弯曲) | |||
| 1 x Push-Pull | 0-10V | lpc+25/CFU | |||
| 1 x Push-Pull | 0-10V | lpc+25/WK/CFU (顶端90°弯曲) | |||
| lpc+35 | 外形尺寸:径向 | 外形尺寸:顶部90度弯曲 | 检测区域 | ||
|
|
|
| ||
| 检测范围 | 65-600mm | ||||
| 外形设计 | 圆柱形M18 | ||||
| 工作模式 | 接近开关/漫反射模式;反射板模式;窗口模式;模拟距离测量;推挽输出还支持IO-Link | ||||
| 特性 | 狭窄的声波 | ||||
| 测量方法 | 回波传播时间 | ||||
| 换能器频率 | 400kHz | ||||
| 盲区 | 65mm | ||||
| 检测范围 | 350mm | ||||
| 最大检测范围 | 600mm | ||||
| 分辨率 | 开关量输出:0.1mm ;模拟量输出:0.1017mm | ||||
| 重复精度 | ±0.15% | ||||
| 精度 | ±1%(内置温度漂移补偿) | ||||
| 工作电压 | 10-30Vd.c., 反极性保护 | ||||
| 电压脉动 | ±10% | ||||
| 空载电流损耗 | ≤50mA | ||||
| 连接类型 | 5芯M12接插件 | ||||
| 输入 | com端输入;同步输入;自学习输入 | ||||
| 2个推挽开关量输出 | |||||
| 输出1 | Push-Pull,UB -3V, -UB +3V,Imax=100mA,常开/常闭可切换,短路保护 | ||||
| 输出2 | Push-Pull,UB -3V, -UB +3V,Imax=100mA,常开/常闭可切换,短路保护 | ||||
| 开关回滞 | 5mm | ||||
| 开关频率 | 12Hz | ||||
| 响应时间 | 64ms | ||||
| 上电延时 | <300ms | ||||
| 1个推挽开关量+模拟量输出 | |||||
| 输出1 | Push-Pull,UB -3V, -UB +3V,Imax=100mA,常开/常闭可切换,短路保护 | ||||
| 输出2 | 4-20 mA / 0-10 V (当 UB≥15V),递增/递减可切换,短路保护 | ||||
| 开关回滞 | 5mm | ||||
| 开关频率 | 12Hz | ||||
| 响应时间 | 64ms | ||||
| 上电延时 | <300ms | ||||
| 材质 | 黄铜套管,镀镍的,塑料零件,PBT,PA | ||||
| 超声波换能器 | 泡沫聚氨酯,玻璃填充的环氧树脂 | ||||
| 螺母最大拧紧力矩 | 15Nm | ||||
| 防护等级EN 60529 | IP67 | ||||
| 工作温度 | -25°C - +70°C | ||||
| 储存温度 | -40°C - +85°C | ||||
| 重量 | 径向:35g ; 顶部90度弯曲:40g | ||||
| 设定范围 | 通过LCA-2与电脑连接;通过pin5进行Teach-in;推挽输出还可通过IO-Link智能配置 | ||||
| 多通道 | 是 | ||||
| 指示灯 | 工作:2 x LED 绿灯; 检测到目标物:2 x LED 黄灯 | ||||
| 选型和订货数据 | |||||
| 开关量输出 | 模拟量输出 | 订货型号 | |||
| 2 x Push-Pull | --- | lpc+35/CFF | |||
| 2 x Push-Pull | --- | lpc+35/WK/CFF (顶端90°弯曲) | |||
| 1 x Push-Pull | 4-20mA | lpc+35/CFI | |||
| 1 x push-Pull | 4-20mA | lpc+35/WK/CFI (顶端90°弯曲) | |||
| 1 x Push-Pull | 0-10V | lpc+35/CFU | |||
| 1 x Push-Pull | 0-10V | lpc+35/WK/CFU (顶端90°弯曲) | |||
| lpc+100 | 外形尺寸:径向 | 外形尺寸:顶部90度弯曲 | 检测区域 | ||
|
|
|
| ||
| 检测范围 | 120-1300mm | ||||
| 外形设计 | 圆柱形M18 | ||||
| 工作模式 | 接近开关/漫反射模式;反射板模式;窗口模式;模拟距离测量;推挽输出还支持IO-Link | ||||
| 特性 | 狭窄的声波 | ||||
| 测量方法 | 回波传播时间 | ||||
| 换能器频率 | 200kHz | ||||
| 盲区 | 120mm | ||||
| 检测范围 | 1000mm | ||||
| 最大检测范围 | 1300mm | ||||
| 分辨率 | 开关量输出:0.1mm ;模拟量输出:0.1037mm | ||||
| 重复精度 | ±0.15% | ||||
| 精度 | ±1%(内置温度漂移补偿) | ||||
| 工作电压 | 10-30Vd.c., 反极性保护 | ||||
| 电压脉动 | ±10% | ||||
| 空载电流损耗 | ≤50mA | ||||
| 连接类型 | 5芯M12接插件 | ||||
| 输入 | com端输入;同步输入;自学习输入 | ||||
| 2个推挽开关量输出 | |||||
| 输出1 | Push-Pull,UB -3V, -UB +3V,Imax=100mA,常开/常闭可切换,短路保护 | ||||
| 输出2 | Push-Pull,UB -3V, -UB +3V,Imax=100mA,常开/常闭可切换,短路保护 | ||||
| 开关回滞 | 20mm | ||||
| 开关频率 | 10Hz | ||||
| 响应时间 | 80ms | ||||
| 上电延时 | <300ms | ||||
| 1个推挽开关量+模拟量输出 | |||||
| 输出1 | Push-Pull,UB -3V, -UB +3V,Imax=100mA,常开/常闭可切换,短路保护 | ||||
| 输出2 | 4-20 mA / 0-10 V (当 UB≥15V),递增/递减可切换,短路保护 | ||||
| 开关回滞 | 20mm | ||||
| 开关频率 | 10Hz | ||||
| 响应时间 | 80ms | ||||
| 上电延时 | <300ms | ||||
| 材质 | 黄铜套管,镀镍的,塑料零件,PBT,PA | ||||
| 超声波换能器 | 泡沫聚氨酯,玻璃填充的环氧树脂 | ||||
| 螺母最大拧紧力矩 | 15Nm | ||||
| 防护等级EN 60529 | IP67 | ||||
| 工作温度 | -25°C - +70°C | ||||
| 储存温度 | -40°C - +85°C | ||||
| 重量 | 径向:35g ; 顶部90度弯曲:40g | ||||
| 设定范围 | 通过LCA-2与电脑连接;通过pin5进行Teach-in;推挽输出还可通过IO-Link智能配置 | ||||
| 多通道 | 是 | ||||
| 指示灯 | 工作:2 x LED 绿灯; 检测到目标物:2 x LED 黄灯 | ||||
| 选型和订货数据 | |||||
| 开关量输出 | 模拟量输出 | 订货型号 | |||
| 2 x Push-Pull | --- | lpc+100/CFF | |||
| 2 x Push-Pull | --- | lpc+100/WK/CFF (顶端90°弯曲) | |||
| 1 x Push-Pull | 4-20mA | lpc+100/CFI | |||
| 1 x push-Pull | 4-20mA | lpc+100/WK/CFI (顶端90°弯曲) | |||
| 1 x Push-Pull | 0-10V | lpc+100/CFU | |||
| 1 x Push-Pull | 0-10V | lpc+100/WK/CFU (顶端90°弯曲) | |||
| 接线图 | |||||
![]() | ![]() | ![]() | |||
| 2 x Push-Pull | 1 x Push-Pull + 4-20mA | 1 x Push-Pull + 0-10V | |||





















