主要特点:
● 边缘测量、宽度·间距测量可选
● 采用宽光幕激光:3×14mm
● 配置RS-485通信方式
● 采样周期:500µs
● 配置光轴对焦调整机能
| 应用举例: | |||
| 薄膜缠绕控制(纠偏测量) | 薄膜弯曲控制·边缘测量 | 圆柱体的外径测量 | 晶片边缘测量 |
![]() | ![]() | ![]() | ![]() |
| 电子部件的方向判别 | 瓶盖浮起检测 | 橡胶板边缘缺损检测 | 滚轴缝隙检测 |
![]() | ![]() | ![]() | ![]() |
感应头
| 型号 | TD1-010M8J | |
| 测量范围 | 边缘模式:±5mm、宽度模式:10mm | |
| 感应头安装距离 | Max.300mm | |
| 光源 | 介质·波长 | 红色半导体激光·660nm |
| 最大输出功率 | 390μw | |
| 激光等级 | CLASS 1(IEC/J IS) | |
| 光斑尺寸 | 3×14mm | |
| 线性精度 | 感应头安装距离100mm时:±0.4%F.S.(±40μm) | |
| 重复精度※1 | ±5μm | |
| 采样周期 | 500μs | |
| 温度漂移 | ±0.02%F.S./℃ | |
| 指示灯 | 发射器 电源指示灯:绿色 接收器 电源指示灯:绿色、报警指示灯:红色 | |
| 通讯方式 | RS-485 | |
| 电源电压 | DC12~24V±10% | |
| 消耗电流 | 发射器:20mA以下(DC12V时) 接收器:80mA以下(DC12V时) | |
| 连接形式 | 连接器:M8 4针连接器附带300mm电缆线 | |
| 耐环境性 | 使用环境温度/湿度 | -10~+50℃/35~85%RH(无结露·结冰) |
| 存储环境湿度/温度 | -20~+60℃/35~85%/RH(无结露·结冰) | |
| 使用环境照度 | 太阳光:10,000lx以下,白炽灯:3,000lx以下 | |
| 抗震动 | 10~55Hz双振幅1.5mm X,Y,Z各方向2小时 | |
| 耐撞击 | 约50G(500m/s²) X,Y,Z各方向3次 | |
| 保护电路 | 逆接保护 | |
| 防护等级 | IP50 | |
| 适用法令 | EMC | EMC指令(2014/30/EU) |
| 环境 | RoHS指令(2011/65/EU) 、中国RoHS(指令第32号) | |
| 适用规格 | EN60947-5-2 | |
| 材质 | 外壳:铝压铸 发射·接收镜头:玻璃 | |
| 质量 | 发射器、接收器:各30g(包含300mm的电缆线) | |
※1 平均采样次数:1次。
控制器单元
| 型号 | CDA-DM 2(连接母机) | |
| 安装方式 | DIN导轨安装 | |
| 感应头 | 连接台数 | Max.2台 |
| 连接形式 | M8 4针连接器 | |
| 通信方式 | RS485兼容(延长电缆长度Max.10米) | |
| 显示 | 测量值·设定 | 点阵显示器128x96像素日语/英语可选 |
| 指示灯 | 电源指示灯:绿 输出指示灯:橙 | |
| I/O | 外部输入 | 1CH(对CH1,CH2两通道有作用) |
| 开关量输出 | 2CH可选择PNP/NPN集电极开路Max.100mA/DC24V 残留电压:1.8V以下 | |
| 模拟量输出 | 2CH输出模拟电流/电压可切换电流:4~20mA(最大负荷300Ω)电压:0~10V(输出阻抗100Ω) | |
| 额定值 | 电源电压 | DC12~24V±10% |
| 消耗电流 | 120mA以下(DC12V时) | |
| 耐环境性 | 保护电路 | 逆接保护、过电流保护功能 |
| 防护等级 | IEC规格IP50 | |
| 使用环境温度/湿度 | -20~+50C/35~85%RH(无结露·结冰) | |
| 存储环境温度/湿度 | -20~+60℃/35~85%RH(无结露·结冰) | |
| 抗震动 | 10~55Hz、双振幅1.5mm、X,Y,Z各方向2小时 | |
| 耐撞击 | 约50G(500m/s2) X,Y,Z各方向3次 | |
| 材质 | PC | |
| 质量 | 170g | |
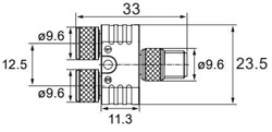
| 外形尺寸: | |||
| 感应头:TD1 | Y型电缆线:TDCN2-Y2-M8(-S) | ||
![]() | ![]() | ||
| T型连接器:SYL-0804-G0MC | 传感器·控制器间延长线:DSL-0804-G02M / DSL-0804-G05M | ||
![]() | ![]() | ||
| 控制器单元: CDA-DM2 | |||
![]() | |||
| 接线图(控制器单元CDA-DM2): | ![]() | ||













