| 主要特点: ● 3600回/秒的测量测量速度 ● 测量精度:Max. ±0.3µm ● 同时显示2种类型测量值 ● mm/inch显示方式可切换 ● 测量值输出方式:RS-232C、模拟量电压±10V ● 搭载多种的测量模式(2个外径、3个间隙可选择) ● 搭载多种的测量值演算处理功能(平均值、最大值、最小值、最大值-最小值、移动平均值)
测量原理图
| 应用举例: ★测量圆棒 / 管子 / 滚轴等的外径、真圆度、偏心率及振动等,不受材质影响。 ★橡胶、玻璃、合成树脂、刀片等柔软 / 易碎物体的轮廓测量。 ★钻头·立铣刀 ( 奇数 / 偶数刀片 ) 的测量。 ★材料的膨胀、收缩、变形等的测量。透过玻璃窗测量高温炉内的物体的热膨胀。 ★在线测量高速运动的电线、橡胶、塑料管、光纤等物体。 ★测量喷嘴中喷射出的柔软等物体的形状变化。 ★金属板、胶带、薄膜等的宽度测量。 ★皮膜、涂层、薄片等的厚度测量。 ★间隙的测量。 ★大口径物体的外径、大件物体的宽度测量 (2 台 )。 ★连接器、IC引脚等梳状物体的形状测量。 | ||
感应头
| 项目/型号 | LMG027 | LMG127 | LMG307 | LMG607 | LMG807 | LMG1507 | LMG W2207※6 | |
| 光源 | 可见半导体激光:655nm | |||||||
| 测量范围mm | 0.01~2 | 0.05~12 | 0.2~30 | 0.5~60 | 0.5~80 | 0.7~150 | 0.7~220 | |
| 最小显示值μm | 0.01 | 0.01 | 0.01 | 0.1 | 0.1 | 0.1 | 0.1 | |
| 测量区域 | 上下mm | 2 | 12 | 30 | 60 | 80 | 150 | 220 |
| 前后mm | 0※2 | 4(2)※3 | 10 | 30 | 40 | 20 | 40 | |
| 测量精度μm※1 | 再现性 | ±0.5 | ±1 | ±2 | ±4 | ±5 | ±12(±5)※4 | ±15(±5))※5 |
| 线性精度 | ±0.3 | ±0.3 | ±1 | ±2.5 | ±4 | 土8(±4)※4 | ±12(±4)※5 | |
| 重复精度 | ±0.03 | ±0.04 | ±0.10 | ±0.35 | ±0.6 | ±2(±1)※4 | ±2(±0.6)※5 | |
| 测量速度 | 3600/s | |||||||
| 扫描速度m/s | 85 | 226 | 355 | 707 | 990 | 1130 | 990 | |
| 使用环境温度℃ | 0~45 | |||||||
| 重量 | 投光器 | 2.0 | 2.5 | 2.7 | 2.2 | 4.0 | 7.5 | 20.0 |
| 受光器 | 1.0 | 2.0 | 4.5 | 6.0 | ||||
| 台 | 1.6 | 3.0 | 4.5 | 7.0 | ||||
| 重量合计 | 2.0 | 2.5 | 2.7 | 4.8 | 9.0 | 16.5 | 33.0 | |
※1 使用环境温度 20±5℃、平均采样次数 896 次(显示间隔 0.25 秒)以上、棒材的外径测量时(不包含 ±1 位数值的量化误差)
再现性:测量区域的中心位置为基准,上下 70%· 前后 100%的范围内,被测物移动在该范围内的各位置的测量值与中心位置的测量值的最大差值。
线性精度:在测量区域的中心位置,标件测得的误差值。
重复精度:在测量区域的中心位置,同一标件反复测量时 ±2σ的值(连续测量2 分钟)。
※2 仅在测量中心位置。
※3( )内数值为被测物尺寸 0.05mm~0.1mm 范围内的情况时。
※4( )内数值为测量尺寸 80mm 以内的被测物时的测量精度。
※5( )内数值为在测量区域下部范围时的测量精度。
※6 LMGW2207 是具有上部/ 下部两个类型的测量区域。
D7显示器
| 规格 | D7 | D7-M | |||||
| 连接传感器数量 | 1台 | 2台(LMG 127·307·607·807机型) | |||||
| 测量值显示器 | 左右侧显示器同时显示2个测量值,最高可显示7位数值,mm/inch单位可切换 | ||||||
| 显示间隔 | 0.28ms~4.4s范围内任意设定 可预设5种间隔 | ||||||
| 目标值设定 | 左右侧测量值独立设定 | ||||||
| 容许误差设定 | 可以分别设定小数点以下的上下限阈值 | ||||||
| 测量模式 | 2个位置的外径、3个位置的间隙可选择 | ||||||
| 测量值演算处理 | 平均值、最大值、最小值、最大值-最小值、移动平均值 | ||||||
| 测量值输出 | RS-232C、模拟量电压±10V(选购件:GP-IB、Centronics并行通信端口、BCD) | ||||||
| 报警 | 测量值超出设定的容许误差范围时报警灯亮灯,背面端子台中的继电器报警触点关闭 | ||||||
| 其他 | 通过外部信号进行测量、校正、测量值偏移值(Offset) 、归零(Zero set) | ||||||
| 重量 | 4kg | ||||||
| 电源 | AC85V~260V,50/60Hz,30VA | ||||||
| D7部件说明 | ![]() | ||
![]() | |||
| 附件 | 可选购件 | ||
| 感应头投光器/ 受光器间的连接电缆线感应头/ 显示器间的连接电缆线 (4m)电源电缆线 (1.8m)操作说明书
| 透明体测量功能,外径/ 间隙的多段测量功能BCD、Centronics 并行通信端口、GP-IB 等接口可定制防尘用的吹风罩、防尘用的电磁百叶窗可定制各种标准量规、用于处理测量数据的计算机软件 | ||
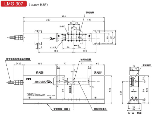
| 外形尺寸: | |||
![]() | ![]() | ||
![]() | ![]() | ||
![]() | ![]() | ||
![]() | ![]() | ||
| 接线图: | ![]() | ||













