主要特点:
●开关量输出:1个或2个PNP开关量输出
●工作模式:漫反射模式
●检测范围:20-250mm; 25-450mm; 50-750mm
●检测范围远点可调
●通过Pin2进行Teach-in
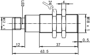
●M18紧凑型设计,螺纹套管长仅63.5mm
| 检测距离:20-250mm | |||||
| 外形尺寸 | 检测区域 | ||||
![]() | ![]() | ||||
| 技术参数 | |||||
| 标准检测范围 | 20-200mm | ||||
| 最大检测范围 | 20-250mm | ||||
| 盲区 | 0-20mm | ||||
| 可调范围 | 35-250mm 之间,远点可调 | ||||
| 设定范围 | 通过Pin2进行Teach-in | ||||
| 标准目标物 | 20x20mm | ||||
| 换能器频率 | 400kHz | ||||
| 精度 | ±1% | ||||
| 重复精度 | ±0.15% | ||||
| 温度漂移 | 高温:+0.17%K; 低温:-0.17%K | ||||
| 工作电压 | 20-30VDC,短路,反极性保护 | ||||
| 电压波动 | ±10% | ||||
| 空载电流 | ≤20mA | ||||
| 开关回滞 | 5mm | ||||
| 开关频率 | 10Hz | ||||
| 响应时间 | ≤50ms | ||||
| 上电延时 | ≤20ms | ||||
| 外形 | M18圆柱形 | ||||
| 材质 | 外壳::铜套,镀镍; 超声波换能器:CRASTIN换能器盖,环氧树脂换能器表面 | ||||
| 连接类型 | 单开关量:4芯M12接插件; 双开关量:5芯M12接插件 | ||||
| 重量 | 50g | ||||
| 指示灯 | 单开关量:1xLED黄灯,开关状态(检测到目标物) 双开关量:2xLED黄灯,开关状态(检测到目标物) | ||||
| 工作温度 | -25°C - +70°C | ||||
| 储存温度 | -40°C - +85°C | ||||
| 防护等级 EN 60529 | IP67 | ||||
| 型号 | 输出信号 | ||||
| UT250-M18P1-DM12 | 1xPNP开关量输出,常开 | ||||
| UT250-M18P1P1-EM12 | 2xPNP开关量输出,常开 | ||||
| UT250-M18P1P2-EM12 | 2xPNP开关量输出,常开+常闭 | ||||
| 检测距离:25-450mm | |||||
| 外形尺寸 | 检测区域 | ||||
![]() | ![]() | ||||
| 技术参数 | |||||
| 标准检测范围 | 25-400mm | ||||
| 最大检测范围 | 25-450mm | ||||
| 盲区 | 0-25mm | ||||
| 可调范围 | 40-450mm 之间,远点可调 | ||||
| 设定范围 | 通过Pin2进行Teach-in | ||||
| 标准目标物 | 20x20mm | ||||
| 换能器频率 | 300kHz | ||||
| 精度 | ±1% | ||||
| 重复精度 | ±0.15% | ||||
| 温度漂移 | 高温:+0.17%K; 低温:-0.17%K | ||||
| 工作电压 | 20-30VDC,短路,反极性保护 | ||||
| 电压波动 | ±10% | ||||
| 空载电流 | ≤20mA | ||||
| 开关回滞 | 8mm | ||||
| 开关频率 | 8Hz | ||||
| 响应时间 | ≤50ms | ||||
| 上电延时 | ≤20ms | ||||
| 外形 | M18圆柱形 | ||||
| 材质 | 外壳:铜套,镀镍; 超声波换能器:CRASTIN换能器盖,环氧树脂换能器表面 | ||||
| 连接类型 | 单开关量:4芯M12接插件; 双开关量:5芯M12接插件 | ||||
| 重量 | 50g | ||||
| 指示灯 | 单开关量:1xLED黄灯,开关状态(检测到目标物) 双开关量:2 x LED黄灯,开关状态(检测到目标物) | ||||
| 工作温度 | -25°C - +70°C | ||||
| 储存温度 | -40°C - +85°C | ||||
| 防护等级 EN 60529 | IP67 | ||||
| 型号 | 输出信号 | ||||
| UT450-M18P1-DM12 | 1xPNP开关量输出,常开 | ||||
| UT450-M18P1P1-EM12 | 2xPNP开关量输出,常开 | ||||
| UT450-M18P1P2-EM12 | 2xPNP开关量输出,常开+常闭 | ||||
| 检测距离:50-750mm | |||||
| 外形尺寸 | 检测区域 | ||||
![]() | ![]() | ||||
| 技术参数 | |||||
| 标准检测范围 | 50-700mm | ||||
| 最大检测范围 | 50-750mm | ||||
| 盲区 | 0-50mm | ||||
| 可调范围 | 75-750mm 之间, 远点可调 | ||||
| 设定范围 | 通过Pin2进行Teach-in | ||||
| 标准目标物 | 20x20mm | ||||
| 换能器频率 | 200kHz | ||||
| 精度 | ±1% | ||||
| 重复精度 | ±0.15% | ||||
| 温度漂移 | 高温:+0.17%K; 低温:-0.17%K | ||||
| 工作电压 | 20-30VDC,短路,反极性保护 | ||||
| 电压波动 | ±10% | ||||
| 空载电流 | ≤20mA | ||||
| 开关回滞 | 10mm | ||||
| 开关频率 | 5Hz | ||||
| 响应时间 | ≤100ms | ||||
| 上电延时 | ≤20ms | ||||
| 外形 | M18圆柱形 | ||||
| 材质 | 外壳:铜套,镀镍; 超声波换能器:CRASTIN换能器盖,环氧树脂换能器表面 | ||||
| 连接类型 | 单开关量:4芯M12接插件; 双开关量:5芯M12接插件 | ||||
| 重量 | 50g | ||||
| 指示灯 | 单开关量:1xLED黄灯,开关状态(检测到目标物) 双开关量:2xLED黄灯,开关状态(检测到目标物) | ||||
| 工作温度 | -25°C - +70°C | ||||
| 储存温度 | -40°C - +85°C | ||||
| 防护等级 EN 60529 | IP67 | ||||
| 型号 | 输出信号 | ||||
| UT750-M18P1-DM12 | 1xPNP开关量输出,常开 | ||||
| UT750-M18P1P1-EM12 | 2xPNP开关量输出,常开 | ||||
| UT750-M18P1P2-EM12 | 2xPNP开关量输出,常开+常闭 | ||||
| 接线图 | |||||
![]() | ![]() | ![]() | |||
| 1xPNP开关量输出,常开 | 2xPNP开关量输出,常开 | 2xPNP开关量输出,常开+常闭 | |||







