主要特点:
●开关量输出:1个 PNP开关量输出,外形设计:40x40mm
●工作模式:对射模式,检测范围:50-500mm
●可选三种检测范围:50-400mm;50-800mm;50-1500mm
●可选超声波换能器带防酸碱保护膜
●当检测范围较小时,<1mm的目标物间隔也可以进行检测
●可替换对射式光电传感器,当被检测物是透明、镜面、附有液体、泡沫或灰尘比较多等情况下也可以检测
| 检测距离:50-1500mm | |||||
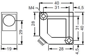
| 外形尺寸 | 示意图 | ||||
![]() | ![]() | ||||
| 技术参数 | |||||
| 检测范围 | 50-1500mm | ||||
| 盲区 | 0-50mm | ||||
| 可调范围 | 50-1500mm之间 | ||||
| 设定范围 | 通过Pin2(常开)或Pin4(常闭)设定范围区段,再根据实际需要确定安装距离 | ||||
| 标准目标物 | 20x20mm | ||||
| 换能器频率 | 200kHz | ||||
| 工作电压 | 20-30VDC,短路,反极性保护 | ||||
| 电压波动 | ±10% | ||||
| 额定工作电流 | 100mA | ||||
| 空载电流 | ≤20mA | ||||
| 开关频率 / 响应时间 | |||||
| ●安装距离500mm | 100HZ / 2.0ms | ||||
| ●安装距离800mm | 150HZ / 1.5ms | ||||
| ●安装距离400mm | 200HZ / 1.0ms | ||||
| 上电延时 | ≤40ms | ||||
| 外形 | 40x40mm方形 | ||||
| 材质 | 外壳:PBPT塑料; 超声波换能器:CRASTIN换能器盖,环氧树脂换能器表面 | ||||
| 连接类型 | 4芯M12接插件 | ||||
| 重量 | 发射器:40g ; 接收器:40g | ||||
| 指示灯 | 1xLED绿灯:工作; 1xLED黄灯:开关状态(检测到目标物) | ||||
| 工作温度 | 0°C ~ +70°C | ||||
| 储存温度 | -25°C ~ +85°C | ||||
| 防护等级 EN 60529 | IP67 | ||||
| 型号 | 输出信号 | 连接器类型 | |||
| UTP1500-Q40L-DM12 | 发射器 | 4芯M12接插件 | |||
| UTP1500-Q40RP1-DM12 | 接收器: 1xPNP开关量输出,常开 | ||||
| UTP1500-Q40RP2-DM12 | 接收器: 1xPNP开关量输出,常闭 | ||||
| UTP1500-Q40L-DM12-P | 发射器 | 4芯M12接插件,换能器带保护膜 | |||
| UTP1500-Q40RP1-DM12-P | 接收器: 1xPNP开关量输出,常开 | ||||
| UTP1500-Q40RP2-DM12-P | 接收器: 1xPNP开关量输出,常闭 | ||||
| 接线图 | |||||
![]() | ![]() | ![]() | |||
| 发射器 | 接收器(常开) | 接收器(常闭) | |||




