主要特点:
● 很小的外形尺寸,带两个M3的螺纹安装孔
● 1个推挽/PNP/NPN开关量输出,4-20mA或0-10V模拟量输出
● 可以选择导声管进行导波,用于狭小的空间
● 1种检测范围,可以使用按键来进行Teach-in
● 自动同步和异步工作, 可支持十个传感器近距离同时工作,推挽输出支持SIO和IO-link模式
| 外形小巧 | SoundPipe sks1 | 集成IO-Link | |||
![]() | 导波管sks1收窄了声波范围,实现了小尺寸的测量,可以直接扣在sks的发射面上。 | 1.1版的传感器集成了IO-Link带开关量输出。sks-15/CF/A | |||
| 自学习按钮 | 两个LED灯 | 常开/常闭功能和模拟量特性曲线的递增/递减 | |||
| 在传感器顶部的自学习按钮,使设置变得方便。 | 显示传感器当前的工作状态。 | 也可以通过按键设置。 | |||
| 一个双重 | 常开/常闭功能 | ||||
| 显示两个开关量输出的开关状态。 | 也可以通过按键设置。 | ||||
| 开关量输出的ucs传感器有三种工作模式: | |||||
| 漫反射模式(单开关点模式)的自学习: | 反射板模式的自学习: | 窗口模式的自学习: | |||
![]() | ![]() |
| |||
| ● 将被测目标物放在想要的检测距离(1)处,使之被传感器检测到 | ● 可以使用一个固定的反射物当作反射板,使之被传感器检测到 | ● 将被测物体放置于窗口的近点(1)处 | |||
| ● 按下按键大约3秒 | ● 按下按键大约3秒 | ● 使之被传感器检测到大约3秒 | |||
| ● 然后再次按下按键大约1秒 | ● 然后再次按下按键大约10秒 | ● 然后将被测物体移动到窗口的远点(2)处 | |||
| ● 再次按下按键大约1秒 | |||||
| sks-15 | 外形尺寸 | 检测区域 | |||
|
|
| |||
| 检测范围 | 20-250mm | ||||
| 外形设计 | 胶体 | ||||
| 工作模式 | 接近开关/漫反射模式;反射板模式;窗口模式;模拟距离测量;推挽输出还技持IO-Link | ||||
| 特性 | 小型胶体设计;狭窄的声场 | ||||
| 测量方法 | 回波传播时间 | ||||
| 换能器频率 | 380kHz | ||||
| 盲区 | 20mm | ||||
| 检测范围 | 150mm | ||||
| 最大检测范围 | 250mm | ||||
| 分辨率 | 0.1 mm | ||||
| 重复精度 | ±0.15% | ||||
| 精度 | sks-15/D、sks-15/E: 0.17%/K温度; sks-15/CF/A、CD、CE、CI、CU: ±1%(内置温度漂移补偿) | ||||
| 工作电压 | sks-15/CF/A:10-30Vd.c.,反极性保护; sks-15/D、CD、E、CE:20-30Vd.c.,反极性保护; sks-15/CI、CU:15-30Vd.c.,反极性保护 | ||||
| 电压脉动 | ±10% | ||||
| 空载电流损耗 | sks-15/CF/A: ≤30mA; sks-15/D、CD、E、CE、CI、CU:≤25mA | ||||
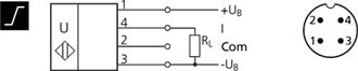
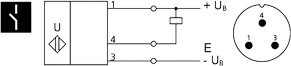
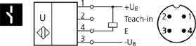
| 连接类型 | sks-15/CF/A、CD、CE、CI、CU:4芯M8接插件; sks-15/D、sks-15/E:3芯M8接插件 | ||||
| 输入 | 控制输入 | ||||
| 1个推挽开关量输出 | Push-Pull, UB-3V, -UB+3V,Imax =100mA,常开/常闭可切换,短路保护 | ||||
| 开关回滞 | 2.0mm | ||||
| 开关频率 | 25Hz | ||||
| 响应时间 | 32ms | ||||
| 上电延时 | <300ms | ||||
| 1个PNP或NPN开关量输出 | pnp:Imax=200mA (UB -2V),或 npn:Imax=200mA (-UB +2V),常开/常闭可切换,短路保护 | ||||
| 开关回滞 | 2mm | ||||
| 开关频率 | 25Hz | ||||
| 响应时间 | 32ms | ||||
| 上电延时 | <300ms | ||||
| 模拟量输出 | 4-20mA / 0-10V,递增/递减可切换,短路保护 | ||||
| 响应时间 | 24ms | ||||
| 上电延时 | <300ms | ||||
| 材质 | ABS | ||||
| 超声波换能器 | 泡沫聚氨酯,玻璃填充的环氧树脂 | ||||
| 防护等级EN 60529 | IP67 | ||||
| 工作温度 | -25°C - +70°C | ||||
| 储存温度 | -40°C - +85°C | ||||
| 重量 | 8g | ||||
| 温度补偿 | sks-15/CF/A、CD、CE、CI、CU: 是; sks-15/D、sks-15/E: 否 | ||||
| 控制装置 | 1个按键 | ||||
| 设定范围 | 通过按键Teach-in | ||||
| 同步 | sks-15/CF/A、CI、CU: 是; sks-15/D、CD、E、CE: 否 | ||||
| 多通道 | 否 | ||||
| 指示灯 | 工作:1 x LED, 绿灯; 检测到目标物:1 x LED,黄灯 | ||||
| 选型和订货数据 | |||||
| 开关量输出 | 模拟量输出 | 订货型号 | |||
| 1 X Push-Pull | --- | sks-15/CF/A | |||
| 1 x PNP | --- | sks-15/D (0.17%/K温度) | |||
| 1 x PNP | --- | sks-15/CD | |||
| 1 x NPN | --- | sks-15/E (0.17%/K温度) | |||
| 1 x NPN | --- | sks-15/CE | |||
| --- | 4-20mA | sks-15/CI | |||
| --- | 0-10 V | sks-15/CU | |||
| 接线图 | |||||
![]() | ![]() | ![]() | |||
| sks-15/CF/A | sks-15/D | sks-15/CD | |||
![]() | ![]() | ![]() | |||
| sks-15/CI | sks-15/E | sks-15/CE | |||
![]() | |||||
| sks-15/CU | |||||













