主要特点:
● 2个或 3个pnp开关量输出
● 4-20mA / 0-10V模拟量输出,可自动切换
● 3种检测范围
● 自动同步,可支持十个传感器近距离同时工作
● 可通过pin5来进行teach-in,或通过连接电脑来配置传感器参数
| 开关量输出的lcs传感器有三种工作模式:双开关点:D1通过pin5连接+UB,D2通过pin5连接-UB设置,三开关点只能通LCA-2连接电脑进行设置。 | |||||
| 漫反射模式(单开关点模式)的自学习: | 反射板模式的自学习: | 窗口模式的自学习 & 模拟量输出的设置: | |||
![]() | ![]() |
| |||
| ● 将被测目标物放在想要的检测距离(1)处,使之被传感器检测到 | ● 可以使用一个固定的反射物当作反射板 | ● 将被测物体放置于窗口的近点(1)处 | |||
| ● 将pin5接到+UB大约3秒 | ● 然后将pin5再次连接到+UB大约3秒 | ● 将pin5连接到+UB大约3秒 | |||
| ● 然后将pin5再次连接到+UB大约1秒 | ● 然后将pin5再次接到+UB大约10秒 | ● 然后将被测物体移动到窗口的远点(2)处 | |||
| ● 然后将pin5再次连接到+UB大约1秒 | |||||
| NCC/NOC(常闭/常开) | |||||
| 开关量输出的常闭/常开,模拟量的递增/递减可以通过pin5设定。 | |||||
| LinkControl | |||||
![]() | |||||
| lcs系列超声波传感器可以选择性的进行参数设置,LCA-2连接控制适配器作为配件和电脑之间的连接。 | |||||
| 易于同步 | |||||
![]() | |||||
| 若干个lcs超声波传感器可以在一些应用中近距离安装运行,通过同步来避免它们间的相互干扰。 为了实现这个目的,需要将传感器的pin5连接在一起,激活传感器的同步功能。如果多于10个传感器同步,需要使用同步箱来实现。 | |||||
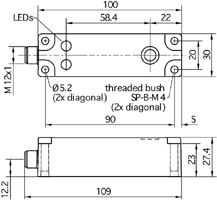
| lcs-25 | 外形尺寸 | 检测区域 | |||
|
|
| |||
| 检测范围 | 30-350mm | ||||
| 外形设计 | 胶体 | ||||
| 工作模式 | 接近开关/漫反射模式;反射板模式;窗口模式;模拟距离测量 | ||||
| 特性 | 齐平的外壳,横向声波出口 | ||||
| 测量方法 | 回波传播时间 | ||||
| 换能器频率 | 320kHz | ||||
| 盲区 | 30mm | ||||
| 检测范围 | 250mm | ||||
| 最大检测范围 | 350mm | ||||
| 分辨率 | 0.18mm | ||||
| 重复精度 | ±0.15% | ||||
| 精度 | ±1%(内置温度漂移补偿) | ||||
| 工作电压 | 9-30Vd.c., 反极性保护 | ||||
| 电压脉动 | ±10% | ||||
| 空载电流损耗 | ≤70mA | ||||
| 连接类型 | 5芯M12接插件(可订制电缆连接) | ||||
| 输入 | 双开关量和模拟量:com端输入,自学习输入; 三开关量:com端输入 | ||||
| 双开关量输出 | |||||
| 输出1 | pnp:Imax=200mA (UB -2V),常开/常闭可切换,短路保护 | ||||
| 输出2 | pnp:Imax=200mA (UB -2V),常开/常闭可切换,短路保护 | ||||
| 开关回滞 | 3mm | ||||
| 开关频率 | 25Hz | ||||
| 响应时间 | 32ms | ||||
| 上电延时 | <300ms | ||||
| 三开关量输出 | |||||
| 输出1 | pnp:Imax=200mA (UB -2V),常开/常闭可切换,短路保护 | ||||
| 输出2 | pnp:Imax=200mA (UB -2V),常开/常闭可切换,短路保护 | ||||
| 输出3 | pnp:Imax=200mA (UB -2V),常开/常闭可切换,短路保护 | ||||
| 开关回滞 | 3mm | ||||
| 开关频率 | 25Hz | ||||
| 响应时间 | 32ms | ||||
| 上电延时 | <300ms | ||||
| 模拟量输出 | 4-20 mA / 0-10 V (当 UB≥15V),递增/递减可切换,短路保护 | ||||
| 响应时间 | 32ms | ||||
| 上电延时 | <300ms | ||||
| 材质 | PBT | ||||
| 超声波换能器 | 泡沫聚氨酯,玻璃填充的环氧树脂 | ||||
| 防护等级EN 60529 | IP65 | ||||
| 工作温度 | -25°C - +70°C | ||||
| 储存温度 | -40°C - +85°C | ||||
| 重量 | 200g | ||||
| 控制装置 | 双开关量和模拟量:com端输入控制输入; 三开关量:com端输入 | ||||
| 设定范围 | 双开关量和模拟量:pin 5或LCA-2 with LinkControl;三开关量:LCA-2 with LinkControl | ||||
| 同步 | 是 | ||||
| 多通道 | 否 | ||||
| 指示灯 | 双开关量和模拟量:2X三色LED ;三开关量:3X三色LED | ||||
| 选型和订货数据 | |||||
| 开关量输出 | 模拟量输出 | 订货型号 | |||
| 2 x PNP | --- | lcs-25/DD/QP | |||
| 3 x PNP | --- | lcs-25/DDD/QP | |||
| --- | 4-20mA / 0-10V | lcs-25/IU/QP | |||
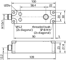
| lcs-35 | 外形尺寸 | 检测区域 | |||
|
|
| |||
| 检测范围 | 65-600mm | ||||
| 外形设计 | 胶体 | ||||
| 工作模式 | 接近开关/漫反射模式;反射板模式;窗口模式;模拟距离测量 | ||||
| 特性 | 齐平的外壳,横向声波出口 | ||||
| 测量方法 | 回波传播时间 | ||||
| 换能器频率 | 400kHz | ||||
| 盲区 | 65mm | ||||
| 检测范围 | 350mm | ||||
| 最大检测范围 | 600mm | ||||
| 分辨率 | 0.18mm | ||||
| 重复精度 | ±0.15% | ||||
| 精度 | ±1%(内置温度漂移补偿) | ||||
| 工作电压 | 9-30Vd.c., 反极性保护 | ||||
| 电压脉动 | ±10% | ||||
| 空载电流损耗 | ≤70mA | ||||
| 连接类型 | 5芯M12接插件(可订制电缆连接) | ||||
| 输入 | 双开关量和模拟量:com端输入,自学习输入; 三开关量:com端输入 | ||||
| 双开关量输出 | |||||
| 输出1 | pnp:Imax=200mA (UB -2V),常开/常闭可切换,短路保护 | ||||
| 输出2 | pnp:Imax=200mA (UB -2V),常开/常闭可切换,短路保护 | ||||
| 开关回滞 | 5mm | ||||
| 开关频率 | 8Hz | ||||
| 响应时间 | 70ms | ||||
| 上电延时 | <300ms | ||||
| 三开关量输出 | |||||
| 输出1 | pnp:Imax=200mA (UB -2V),常开/常闭可切换,短路保护 | ||||
| 输出2 | pnp:Imax=200mA (UB -2V),常开/常闭可切换,短路保护 | ||||
| 输出3 | pnp:Imax=200mA (UB -2V),常开/常闭可切换,短路保护 | ||||
| 开关回滞 | 5mm | ||||
| 开关频率 | 8Hz | ||||
| 响应时间 | 70ms | ||||
| 上电延时 | <300ms | ||||
| 模拟量输出 | 4-20 mA / 0-10 V (当 UB≥15V),递增/递减可切换,短路保护 | ||||
| 响应时间 | 70ms | ||||
| 上电延时 | <300ms | ||||
| 材质 | PBT | ||||
| 超声波换能器 | 泡沫聚氨酯,玻璃填充的环氧树脂 | ||||
| 防护等级EN 60529 | IP65 | ||||
| 工作温度 | -25°C - +70°C | ||||
| 储存温度 | -40°C - +85°C | ||||
| 重量 | 200g | ||||
| 控制装置 | 双开关量和模拟量:com端输入控制输入; 三开关量:com端输入 | ||||
| 设定范围 | 双开关量和模拟量:pin 5或LCA-2 with LinkControl;三开关量:LCA-2 with LinkControl | ||||
| 同步 | 是 | ||||
| 多通道 | 否 | ||||
| 指示灯 | 双开关量和模拟量:2X三色LED ;三开关量:3X三色LED | ||||
| 选型和订货数据 | |||||
| 开关量输出 | 模拟量输出 | 订货型号 | |||
| 2 x PNP | --- | lcs-35/DD/QP | |||
| 3 x PNP | --- | lcs-35/DDD/QP | |||
| --- | 4-20mA / 0-10V | lcs-35/IU/QP | |||
| lcs-130 | 外形尺寸 | 检测区域 | |||
|
|
| |||
| 检测范围 | 200-2000mm | ||||
| 外形设计 | 胶体 | ||||
| 工作模式 | 接近开关/漫反射模式;反射板模式;窗口模式;模拟距离测量 | ||||
| 特性 | 齐平的外壳,横向声波出口 | ||||
| 测量方法 | 回波传播时间 | ||||
| 换能器频率 | 200kHz | ||||
| 盲区 | 200mm | ||||
| 检测范围 | 1300mm | ||||
| 最大检测范围 | 2000mm | ||||
| 分辨率 | 开关量:0.18 mm; 模拟量:0.18-0.57mm (取决于模拟窗口) | ||||
| 重复精度 | ±0.15% | ||||
| 精度 | ±1%(内置温度漂移补偿) | ||||
| 工作电压 | 9-30Vd.c., 反极性保护 | ||||
| 电压脉动 | ±10% | ||||
| 空载电流损耗 | ≤70mA | ||||
| 连接类型 | 5芯M12接插件(可订制电缆连接) | ||||
| 输入 | 双开关量和模拟量:com端输入,自学习输入; 三开关量:com端输入 | ||||
| 双开关量输出 | |||||
| 输出1 | pnp:Imax=200mA (UB -2V),常开/常闭可切换,短路保护 | ||||
| 输出2 | pnp:Imax=200mA (UB -2V),常开/常闭可切换,短路保护 | ||||
| 开关回滞 | 20mm | ||||
| 开关频率 | 6Hz | ||||
| 响应时间 | 110ms | ||||
| 上电延时 | <300ms | ||||
| 三开关量输出 | |||||
| 输出1 | pnp:Imax=200mA (UB -2V),常开/常闭可切换,短路保护 | ||||
| 输出2 | pnp:Imax=200mA (UB -2V),常开/常闭可切换,短路保护 | ||||
| 输出3 | pnp:Imax=200mA (UB -2V),常开/常闭可切换,短路保护 | ||||
| 开关回滞 | 20mm | ||||
| 开关频率 | 6Hz | ||||
| 响应时间 | 110ms | ||||
| 上电延时 | <300ms | ||||
| 模拟量输出 | 4-20 mA / 0-10 V (当 UB≥15V),递增/递减可切换,短路保护 | ||||
| 响应时间 | 110ms | ||||
| 上电延时 | <300ms | ||||
| 材质 | PBT | ||||
| 超声波换能器 | 泡沫聚氨酯,玻璃填充的环氧树脂 | ||||
| 防护等级EN 60529 | IP65 | ||||
| 工作温度 | -25°C - +70°C | ||||
| 储存温度 | -40°C - +85°C | ||||
| 重量 | 200g | ||||
| 控制装置 | 双开关量和模拟量:com端输入控制输入; 三开关量:com端输入 | ||||
| 设定范围 | 双开关量和模拟量:pin 5或LCA-2 with LinkControl;三开关量:LCA-2 with LinkControl | ||||
| 同步 | 是 | ||||
| 多通道 | 否 | ||||
| 指示灯 | 双开关量和模拟量:2X三色LED ;三开关量:3X三色LED | ||||
| 选型和订货数据 | |||||
| 开关量输出 | 模拟量输出 | 订货型号 | |||
| 2 x PNP | --- | lcs-130/DD/QP | |||
| 3 x PNP | --- | lcs-130/DDD/QP | |||
| --- | 4-20mA / 0-10V | lcs-130/IU/QP | |||
| 接线图 | |||||
|
|
| |||
| 2 x PNP | 3 x PNP | 4-20mA / 0-10V | |||
















