主要特点:
● 1个推挽输出或 2个pnp开关量输出
● 4-20mA / 0-10V模拟量输出,可自动切换
● 2种检测范围
● 可通过T1或T2按钮来进行teach-in,或通过连接电脑来配置传感器参数
● 自动同步和异步工作,可支持十个传感器近距离同时工作,推挽输出支持SIO和IO-link模式
| 开关量输出的lcs+传感器有三种工作模式: | |||||
| 漫反射模式(单开关点模式)的自学习: | 反射板模式的自学习: | 窗口模式的自学习 & 模拟量输出的设置: | |||
![]() | ![]() | ![]() | |||
| ● 将被测目标物放在想要的检测距离(1)处,使之被传感器检测到 | ● 可以使用一个固定的反射物当作反射板 | ● 将被测物体放置于窗口的近点(1)处 | |||
| ● 按住按键T2大约3秒 | ● 按住按键T2大约3秒 | ● 按住按键T2大约3秒 | |||
| ● 再次按住按键T2大约1秒 | ● 再次按住按键T2大约10秒 | ● 然后将被测物体移动到窗口的远点(2)处 | |||
| ● 再次按住按键T2大约1秒 | |||||
| NCC/NOC(常闭/常开) | 模拟量输出的传感器 | ||||
| 开关量输出的常闭/常开,模拟量的递增/递减可以通过teach-in按键设置。 | 根据负载,自动识别并切换至4-20mA或0-10V。 | ||||
| LinkControl | |||||
![]() | |||||
| lcs+系列超声波传感器可以选择性的进行参数设置,LCA-2连接控制适配器作为配件和电脑之间的连接。 | |||||
| 易于同步 | |||||
![]() | |||||
| 若干个lcs+超声波传感器可以在一些应用中近距离安装运行,通过同步来避免它们间的相互干扰。 为了实现这个目的,需要将传感器的pin5连接在一起,激活传感器的同步功能。如果多于10个传感器同步,需要使用同步箱来实现。 | |||||
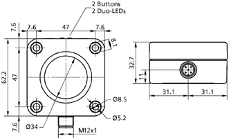
| lcs+340 | 外形尺寸 | 检测区域 | |||
|
|
| |||
| 检测范围 | 350-5000mm | ||||
| 外形设计 | 胶体 | ||||
| 工作模式 | 接近开关/漫反射模式;反射板模式;窗口模式;模拟距离测量;推挽输出还技持IO-Link | ||||
| 测量方法 | 回波传播时间 | ||||
| 换能器频率 | 120kHz | ||||
| 盲区 | 350mm | ||||
| 检测范围 | 3400mm | ||||
| 最大检测范围 | 5000mm | ||||
| 分辨率 | 0.18mm(开关量输出);0.18-1.5mm,取决于模拟窗口(模拟量输出) | ||||
| 重复精度 | ±0.15% | ||||
| 精度 | ±1%(内置温度漂移补偿) | ||||
| 工作电压 | 9-30Vd.c., 反极性保护 | ||||
| 电压脉动 | ±10% | ||||
| 空载电流损耗 | ≤60mA | ||||
| 连接类型 | 5芯M12接插件 | ||||
| 输入 | com端输入;同步输入 | ||||
| 一个推挽关量输出 | Push-Pull, UB-3V, -UB+3V,Imax =100mA,常开/常闭可切换,短路保护 | ||||
| 开关回滞 | 50mm | ||||
| 开关频率 | 4Hz | ||||
| 响应时间 | 172ms | ||||
| 上电延时 | <380ms | ||||
| 双开关量输出 | |||||
| 输出1 | pnp:Imax=200mA (UB -2V),常开/常闭可切换,短路保护 | ||||
| 输出2 | pnp:Imax=200mA (UB -2V),常开/常闭可切换,短路保护 | ||||
| 开关回滞 | 50mm | ||||
| 开关频率 | 4Hz | ||||
| 响应时间 | 172ms | ||||
| 上电延时 | <380ms | ||||
| 模拟量输出 | 4-20 mA / 0-10 V (当 UB≥15V),递增/递减可切换,短路保护 | ||||
| 响应时间 | 172ms | ||||
| 上电延时 | <450ms | ||||
| 材质 | PBT | ||||
| 超声波换能器 | 泡沫聚氨酯,玻璃填充的环氧树脂 | ||||
| 防护等级EN 60529 | IP67 | ||||
| 工作温度 | -25°C - +70°C | ||||
| 储存温度 | -40°C - +85°C | ||||
| 重量 | 180g | ||||
| 温度补偿 | 是 | ||||
| 控制装置 | 2个按键 | ||||
| 设定范围 | 推挽输出:按键或LCA-2 with LinkControl或IO-Link;双开关量和模拟量:按键或LCA-2 with LinkControl | ||||
| 同步 | 是 | ||||
| 多通道 | 是 | ||||
| 指示灯 | 2X三色LED | ||||
| 选型和订货数据 | |||||
| 开关量输出 | 模拟量输出 | 订货型号 | |||
| 1 X Push-Pull | --- | lcs+340/F/A | |||
| 2 x PNP | --- | lcs+340/DD | |||
| --- | 4-20mA / 0-10V | lcs+340/IU | |||
| lcs+600 | 外形尺寸 | 检测区域 | |||
|
|
| |||
| 检测范围 | 600-8000mm | ||||
| 外形设计 | 胶体 | ||||
| 工作模式 | 接近开关/漫反射模式;反射板模式;窗口模式;模拟距离测量;推挽输出还技持IO-Link | ||||
| 测量方法 | 回波传播时间 | ||||
| 换能器频率 | 80kHz | ||||
| 盲区 | 600mm | ||||
| 检测范围 | 6000mm | ||||
| 最大检测范围 | 8000mm | ||||
| 分辨率 | 0.18mm(开关量输出);0.18-2.4mm,取决于模拟窗口(模拟量输出) | ||||
| 重复精度 | ±0.15% | ||||
| 精度 | ±1%(内置温度漂移补偿) | ||||
| 工作电压 | 9-30Vd.c., 反极性保护 | ||||
| 电压脉动 | ±10% | ||||
| 空载电流损耗 | ≤60mA | ||||
| 连接类型 | 5芯M12接插件 | ||||
| 输入 | com端输入;同步输入 | ||||
| 一个推挽关量输出 | Push-Pull, UB-3V, -UB+3V,Imax =100mA,常开/常闭可切换,短路保护 | ||||
| 开关回滞 | 100mm | ||||
| 开关频率 | 3Hz | ||||
| 响应时间 | 240ms | ||||
| 上电延时 | <450ms | ||||
| 双开关量输出 | |||||
| 输出1 | pnp:Imax=200mA (UB -2V),常开/常闭可切换,短路保护 | ||||
| 输出2 | pnp:Imax=200mA (UB -2V),常开/常闭可切换,短路保护 | ||||
| 开关回滞 | 100mm | ||||
| 开关频率 | 3Hz | ||||
| 响应时间 | 240ms | ||||
| 上电延时 | <450ms | ||||
| 模拟量输出 | 4-20 mA / 0-10 V (当 UB≥15V),递增/递减可切换,短路保护 | ||||
| 响应时间 | 240ms | ||||
| 上电延时 | <450ms | ||||
| 材质 | PBT | ||||
| 超声波换能器 | 泡沫聚氨酯,玻璃填充的环氧树脂 | ||||
| 防护等级EN 60529 | IP67 | ||||
| 工作温度 | -25°C - +70°C | ||||
| 储存温度 | -40°C - +85°C | ||||
| 重量 | 240g | ||||
| 温度补偿 | 是 | ||||
| 控制装置 | 2个按键 | ||||
| 设定范围 | 推挽输出:按键或LCA-2 with LinkControl或IO-Link;双开关量和模拟量:按键或LCA-2 with LinkControl | ||||
| 同步 | 是 | ||||
| 多通道 | 是 | ||||
| 指示灯 | 2X三色LED | ||||
| 选型和订货数据 | |||||
| 开关量输出 | 模拟量输出 | 订货型号 | |||
| 1 X Push-Pull | --- | lcs+600/F/A | |||
| 2 x PNP | --- | lcs+600/DD | |||
| --- | 4-20mA / 0-10V | lcs+600/IU | |||
| 接线图 | |||||
|
|
| |||
| 1 X Push-Pull | 2 X PNP | 4-20mA / 0-10V | |||













