方形

服务创造价值、存在造就未来

当前位置:首页>产品中心>microsonic>方形

cube超声波传感器

产品分类:方形
产品规格:标准件
产品品牌:microsonic
浏览次数:620
上架时间:2023-06-18
产品详情

主要特点:
● 立方体可旋转微型外壳设计, 40mm x 40mm x 40mm, 传感器可以在5个位置转动,
● 四个LED,传感器状态清晰可见。
● 方便的QuickLock安装支架
● 1个推挽输出或1个推挽输出+4-20mA / 0-10V模拟量输出(可切换至第二推挽开关量输出)
● 3种检测范围
● 可通过T1或T2按钮来进行teach-in,或通过连接电脑来配置传感器参数
● 自动同步和异步工作,可支持十个传感器近距离同时工作,推挽输出支持SIO和IO-link模式







产品描述
cube超声波传感器可旋转立方体外壳设计适用很多应用场合,搭配QuickLock安装支架,使得安装更快速简便
1.jpg

两种输出

❶1个推挽开关量输

❷1个推挽开关量输出和1个模拟输出或可切换到2推挽开关量输出,使用LinkControl或IO-Link,可以禁用模拟输出,而启用第二个推挽开关输出。第二推挽开关输出可以用于电平监测,例如,以控制溢出。

借助内部校准辅助
使传感器可以在安装过程中与物体轻松对准。
2.jpg

开关量输出的cube传感器有三种工作模式:
漫反射模式(单开关点模式)的自学习:



3.jpg方法A:适用于到被检测物的实际距离,也是切换点的应用。一种典型的应用是液位控制,其中超声波传感器在灌装过程中从上方垂直检测灌装液位。设定的切换点对应于最大加注液位。
方法B:当被检测物从侧面移动到检测区域的情况下,切点距离被设置为比到被检测物的实际测量距离远8%。即使被检测物的高度略有变化,也不会有影响。
方法A自学习方法B自学习

4.jpg5.jpg

● 将被测目标物放在想要的检测距离(1)处,使之被传感器检测到 ● 将被测目标物放在想要的检测距离(1)处,使之被传感器检测到 
● 按住按键T2大约3秒,直到所有LED同时闪烁● 按住按键T2大约3秒,直到所有LED同时闪烁
● 再次按住按键T2大约1秒● 再次按住按键T2大约3秒,直到绿色和黄色LED再次交替闪烁







反射板模式的自学习:窗口模式的自学习 & 模拟量输出的设置:
6.jpg7.jpg
● 可以使用一个固定的反射物当作反射板● 将被测物体放置于窗口的近点(1)处
● 按住按键T2大约3秒,直到所有LED同时闪烁● 按住按键T1大约3秒,直到所有LED同时闪烁
● 再次按住按键T2大约10秒,直到LED停止闪烁● 然后将被测物体移动到窗口的远点(2)处

● 再次按住按键T1大约1秒





NCC/NOC(常闭/常开)模拟量输出的传感器集成IO-Link
开关量常闭/常开,模拟量的递增/递减可以通过按键设置。根据负载,自动识别并切换至4-20mA或0-10V。支持IO-Link通讯。


LinkControl
8.jpg
cube系列超声波传感器可以选择性的进行参数设置,LCA-2连接控制适配器作为配件和电脑之间的连接。






易于同步
9.jpg
若干个cube超声波传感器可以在一些应用中近距离安装运行,通过同步来避免它们间的相互干扰。 为了实现这个目的,需要将传感器的pin5连接在一起,激活传感器的同步功能。如果多于10个传感器同步,需要使用同步箱来实现。






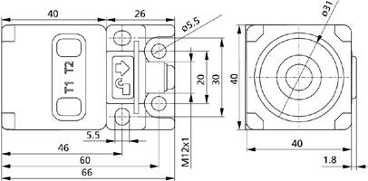
cube-35外形尺寸检测区域

10.jpg


11.jpg

12.jpg

检测范围350-600mm
外形设计胶体
工作模式接近开关/漫反射模式;反射板模式;窗口模式;模拟距离测量;IO-Link
测量方法回波传播时间
换能器频率400kHz
盲区65mm
检测范围350mm
最大检测范围600mm
分辨率一个推挽开关量输出:0.056mm,在IO-Link模式下0.1mm;   推挽开关量+模拟量输出:IO-Link模式0.1mm, 模拟量,0.17mm
重复精度±0.15%
精度±1%(内置温度漂移补偿)
工作电压9-30Vd.c., 反极性保护
电压脉动±10%
空载电流损耗≤50mA 
连接类型5芯M12接插件
输入com端输入;同步输入;自学习输入
一个推挽关量输出Push-Pull, UB-3V, -UB+3V,Imax =100mA,常开/常闭可切换,短路保护
开关回滞5mm
开关频率12Hz
响应时间64ms
上电延时<300ms
推挽开关量+模拟量输出(可切换成推挽开关量)
输出1Push-Pull, UB-3V, -UB+3V,Imax =100mA,常开/常闭可切换,短路保护
输出24-20 mA / 0-10 V (当 UB≥15V),递增/递减可切换,短路保护 或 切换成Push-Pull, UB-3V, -UB+3V,Imax =100mA,常开/常闭可切换,短路保护
开关回滞5mm
开关频率12Hz
响应时间64ms
上电延时<300ms
材质PA
超声波换能器泡沫聚氨酯,玻璃填充的环氧树脂
防护等级EN 60529IP67
工作温度-25°C  -  +70°C
储存温度-40°C  -  +85°C
重量120g
温度补偿
控制装置2个按键
设定范围推挽输出:按键或LCA-2 with LinkControl或IO-Link或pin5;双开关量和模拟量:按键或LCA-2 with LinkControl
同步
多通道
指示灯工作:2 X LED绿灯;检测到目标物:2 X LED黄灯
选型和订货数据
开关量输出模拟量输出订货型号
1 X Push-Pull---cube-35/F
2 X Push-Pull4-20mA / 0-10Vcube-35/FFIU






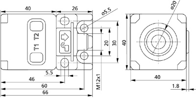
cube-130外形尺寸检测区域

13.jpg


14.jpg

15.jpg

检测范围200-2000mm
外形设计胶体
工作模式接近开关/漫反射模式;反射板模式;窗口模式;模拟距离测量;IO-Link
测量方法回波传播时间
换能器频率200kHz
盲区200mm
检测范围1300mm
最大检测范围2000mm
分辨率一个推挽开关量输出:0.224mm,在IO-Link模式下1mm;   推挽开关量+模拟量输出:1mm
重复精度±0.15%
精度±1%(内置温度漂移补偿)
工作电压9-30Vd.c., 反极性保护
电压脉动±10%
空载电流损耗≤50mA 
连接类型5芯M12接插件
输入com端输入;同步输入;自学习输入
一个推挽关量输出Push-Pull, UB-3V, -UB+3V,Imax =100mA,常开/常闭可切换,短路保护
开关回滞20mm
开关频率8Hz
响应时间96ms
上电延时<300ms
推挽开关量+模拟量输出(可切换成推挽开关量)
输出1Push-Pull, UB-3V, -UB+3V,Imax =100mA,常开/常闭可切换,短路保护
输出24-20 mA / 0-10 V (当 UB≥15V),递增/递减可切换,短路保护 或 切换成Push-Pull, UB-3V, -UB+3V,Imax=100mA,常开/常闭可切换,短路保护
开关回滞20mm
开关频率8Hz
响应时间96ms
上电延时<300ms
材质PA
超声波换能器泡沫聚氨酯,玻璃填充的环氧树脂
防护等级EN 60529IP67
工作温度-25°C  -  +70°C
储存温度-40°C  -  +85°C
重量120g
温度补偿
控制装置2个按键
设定范围推挽输出:按键或LCA-2 with LinkControl或IO-Link或pin5;双开关量和模拟量:按键或LCA-2 with LinkControl
同步
多通道
指示灯工作:2 X LED绿灯;检测到目标物:2 X LED黄灯
选型和订货数据
开关量输出模拟量输出订货型号
1 X Push-Pull---cube-130/F
2 X Push-Pull4-20mA / 0-10Vcube-130/FFIU






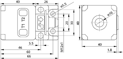
cube-340外形尺寸检测区域

16.jpg


17.jpg

18.jpg

检测范围350-5000mm
外形设计胶体
工作模式接近开关/漫反射模式;反射板模式;窗口模式;模拟距离测量;IO-Link
测量方法回波传播时间
换能器频率120kHz
盲区350mm
检测范围3400mm
最大检测范围5000mm
分辨率一个推挽开关量输出:0.224mm,在IO-Link模式下1mm;   推挽开关量+模拟量输出:IO-Link模式1mm, 模拟量,1.45mm
重复精度±0.15%
精度±1%(内置温度漂移补偿)
工作电压9-30Vd.c., 反极性保护
电压脉动±10%
空载电流损耗≤50mA 
连接类型5芯M12接插件
输入com端输入;同步输入;自学习输入
一个推挽关量输出Push-Pull, UB-3V, -UB+3V,Imax =100mA,常开/常闭可切换,短路保护
开关回滞50mm
开关频率4Hz
响应时间166ms
上电延时<300ms
推挽开关量+模拟量输出(可切换成推挽开关量)
输出1Push-Pull, UB-3V, -UB+3V,Imax =100mA,常开/常闭可切换,短路保护
输出24-20 mA / 0-10 V (当 UB≥15V),递增/递减可切换,短路保护 或 切换成Push-Pull, UB-3V, -UB+3V,Imax=100mA,常开/常闭可切换,短路保护
开关回滞50mm
开关频率4Hz
响应时间166ms
上电延时<300ms
材质PA
超声波换能器泡沫聚氨酯,玻璃填充的环氧树脂
防护等级EN 60529IP67
工作温度-25°C  -  +70°C
储存温度-40°C  -  +85°C
重量130g
温度补偿
控制装置2个按键
设定范围推挽输出:按键或LCA-2 with LinkControl或IO-Link或pin5;双开关量和模拟量:按键或LCA-2 with LinkControl
同步
多通道
指示灯工作:2 X LED绿灯;检测到目标物:2 X LED黄灯
选型和订货数据
开关量输出模拟量输出订货型号
1 X Push-Pull---cube-340/F
2 X Push-Pull4-20mA / 0-10Vcube-340/FFIU






接线图

19.jpg

20.jpg



1 X Push-Pull2 X Push-Pull + 4-20mA / 0-10V


上一篇:lcs+超声波传感器

下一篇:没有了!